- Partiron
- OEM Parts
- Suzuki
- Motorcycle
- 2013
- VL800CL3 (2013)
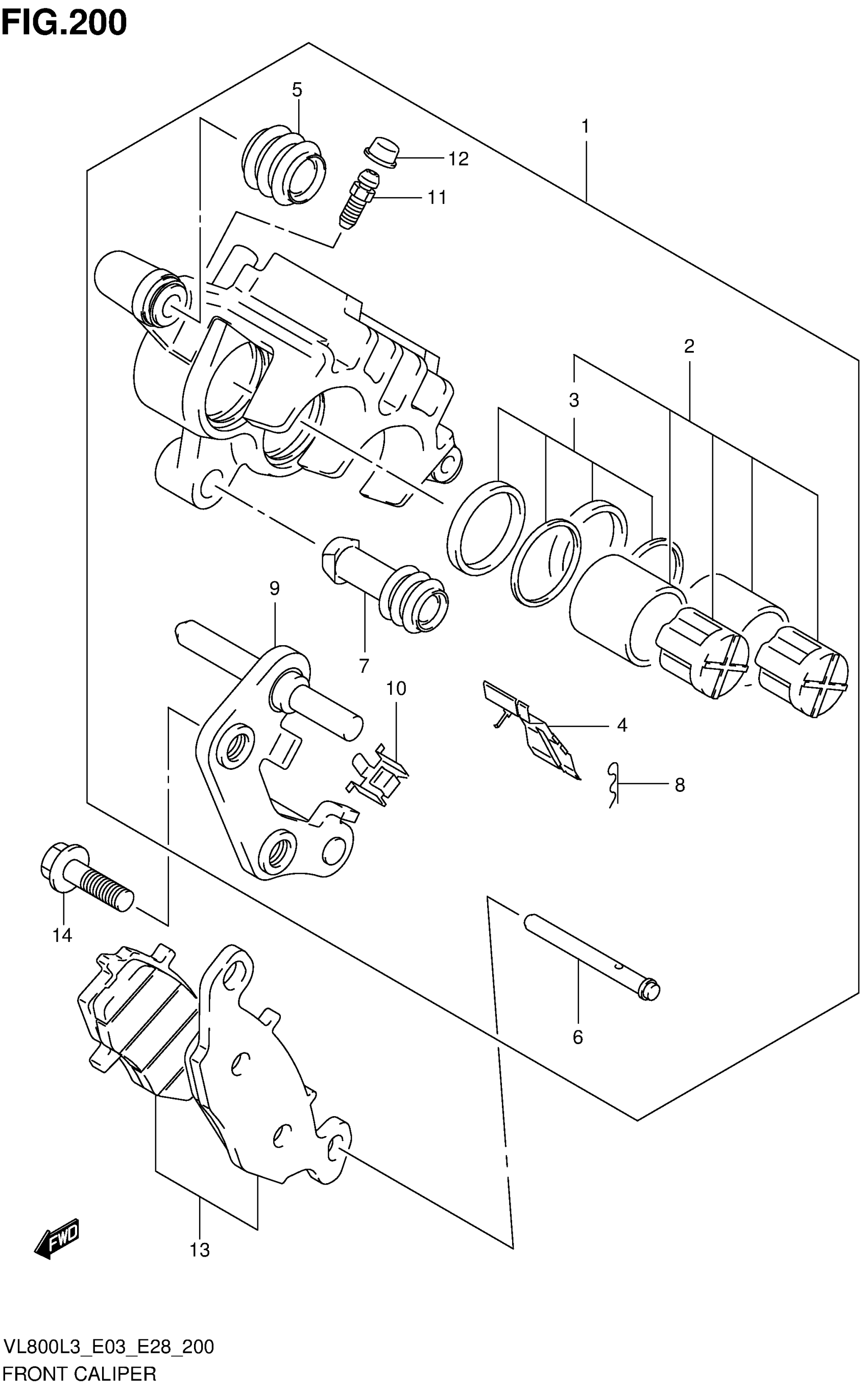
FRONT CALIPER
Suzuki VL800CL3 (2013) FRONT CALIPER Diagram
#
Description
Price
1
CALIPER ASSY, FRONT RH
59100-33DB1-999
Unavailable
FRONT CALIPER
#
1
59100-33DB1-999
Unavailable
Edit ride
