- Partiron
- OEM Parts
- Suzuki
- Motorcycle
- 2011
- VL800CL1 (2011)
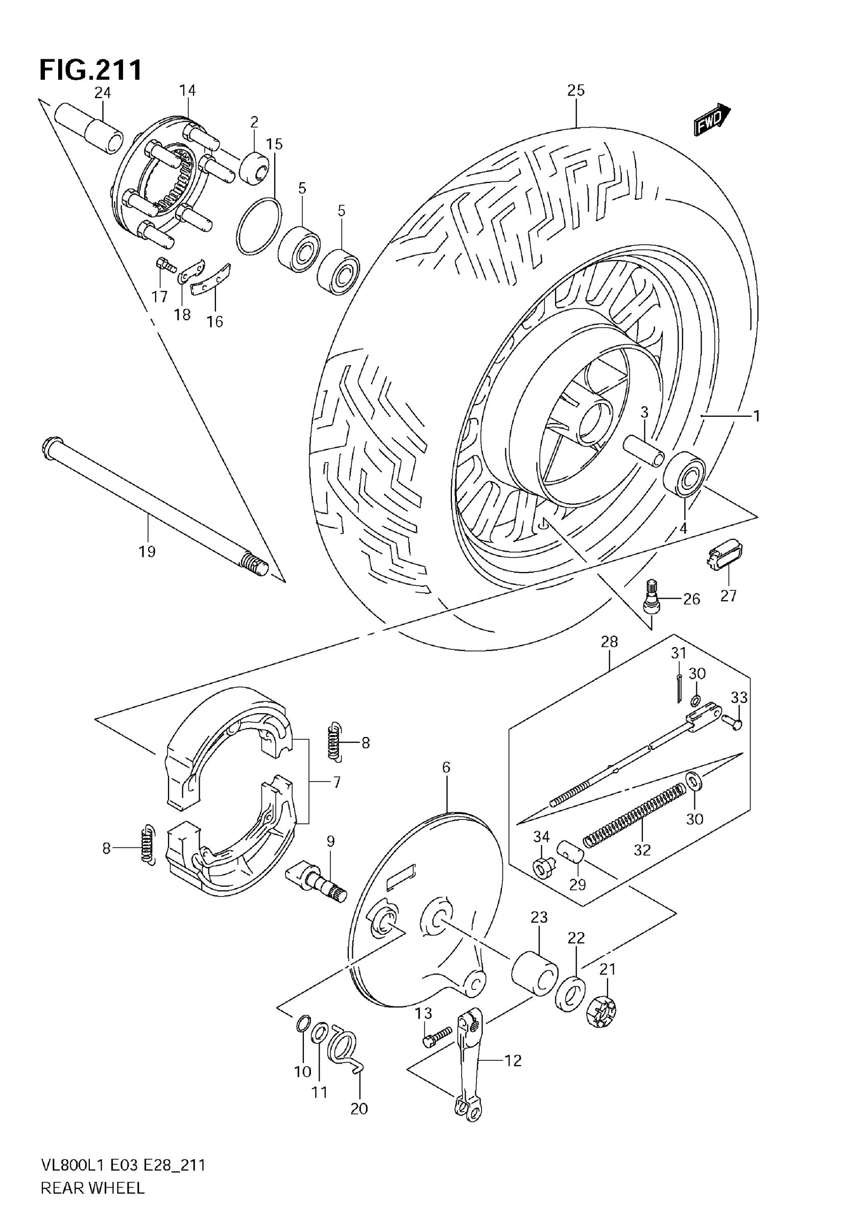
REAR WHEEL (VL800C E28)
Suzuki VL800CL1 (2011) REAR WHEEL (VL800C E28) Diagram
#
Description
Price
3
SPACER, RR HUB
09180-17112
Unavailable
25
TIRE,RR(170/80 | GS-23R D This part replaces 65110-41F20.
65110-41F21
Unavailable
