- Partiron
- OEM Parts
- Suzuki
- Motorcycle
- 2014
- VL800BL4 (2014)
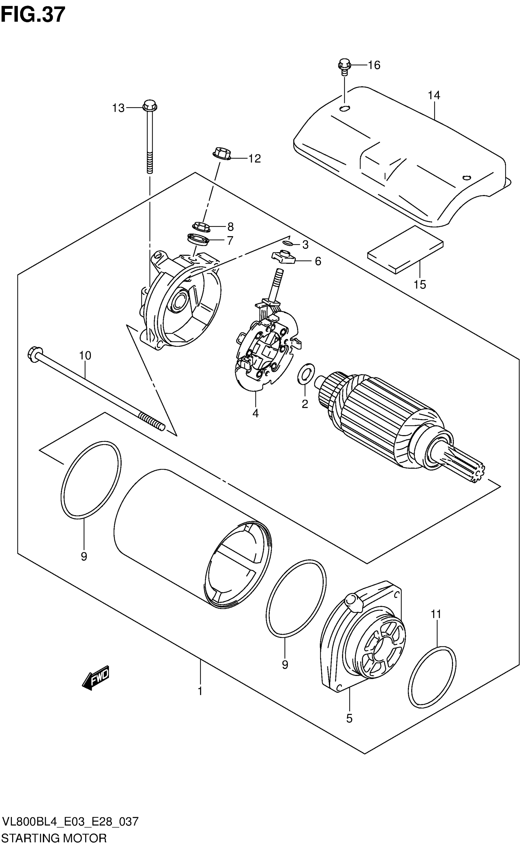
STARTING MOTOR
Suzuki VL800BL4 (2014) STARTING MOTOR Diagram
#
Description
Price
2
SHIM
31170-43400
Unavailable
5
BRACKET SET
31150-38A00
Unavailable
7
BUSHING
31173-88C00
Unavailable
15
DAMPER, MOTOR COVER
31212-38A10
Unavailable
16
BOLT
01547-0508A
Unavailable
