- Partiron
- OEM Parts
- Suzuki
- Motorcycle
- 2005
- VL800 (2005)
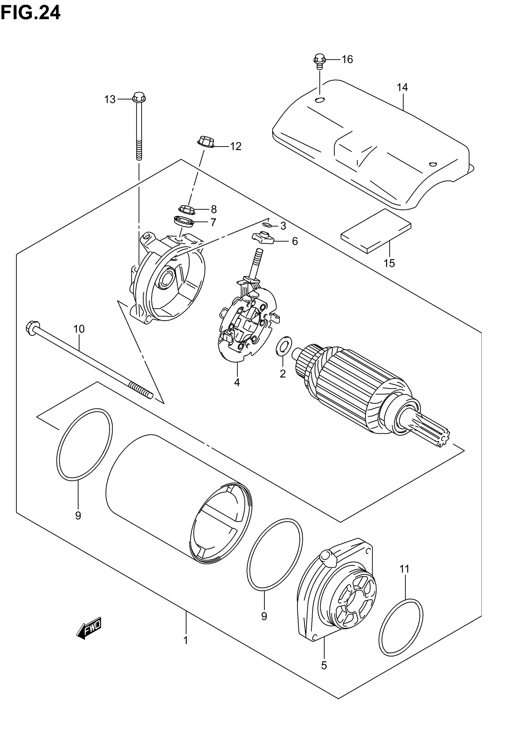
STARTING MOTOR
Suzuki VL800 (2005) STARTING MOTOR Diagram
#
Description
Price
2
WASHER
31170-43400
Unavailable
5
BRACKET SET
31150-38A00
Unavailable
7
BUSHING
31173-88C00
Unavailable
15
DAMPER, MOTOR COVER
31212-38A10
Unavailable
