Partiron

Suzuki VL1500TL5 (2015) STARTING MOTOR Diagram

#

Description
Price

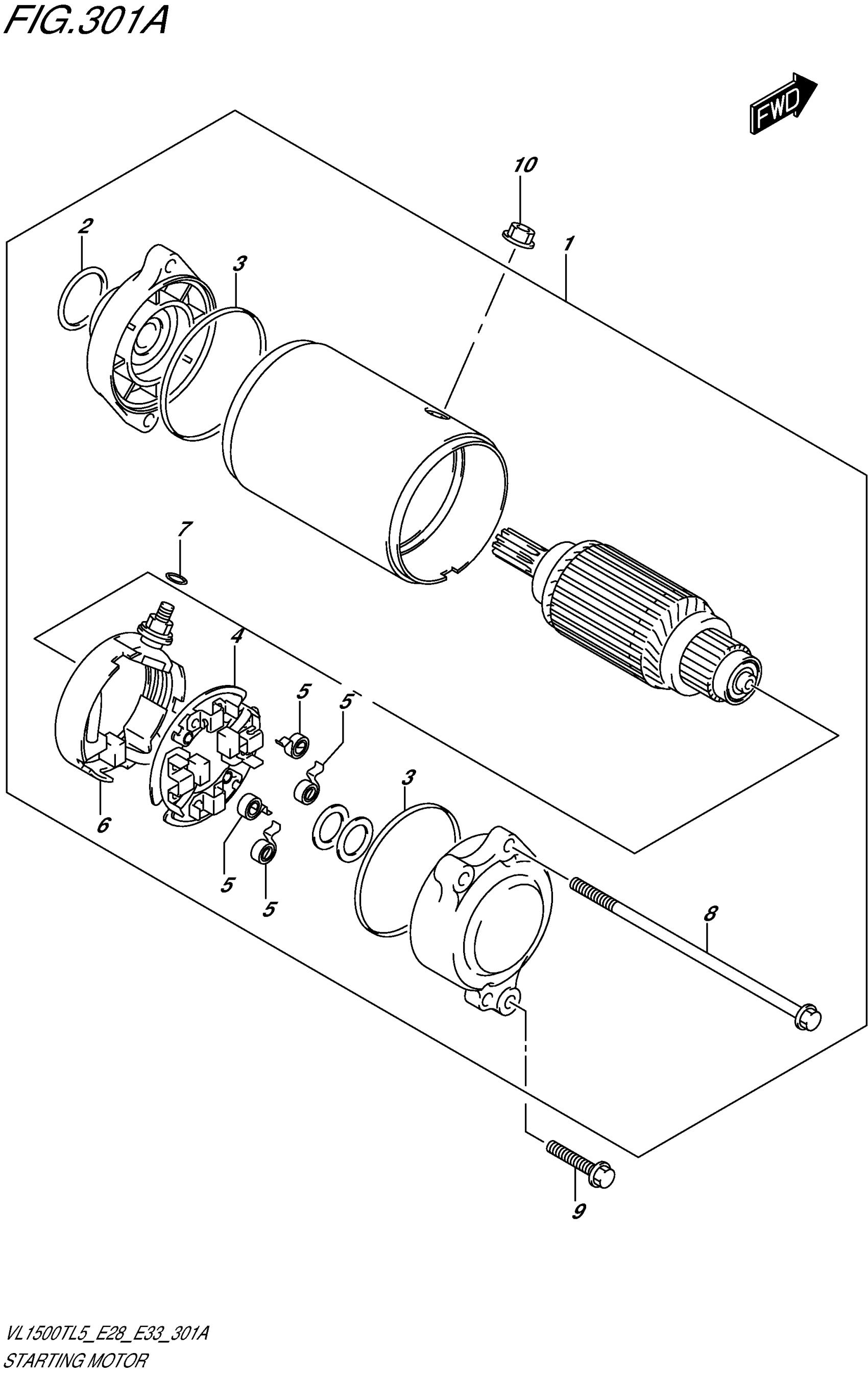
1

MOTOR ASSY, STARTING

31100-40H01

$743.02

2

O RING (D:3.1,ID:24.4)

31156-98E00

$3.89

3

O RING This part replaces 31264-31300.

31264-32E00

$6.68

4

HOLDER SET, BRUSH

31132-38B00

$69.35

5

SPRING, BRUSH

31135-38B00

$5.40

6

TERMINAL SET, BRUSH

31130-38B00

$69.35

7

O RING

31143-49040

$3.71

8

BOLT This part replaces 31281-24B10.

31281-31D00

$8.65

9

BOLT (6X25)

09103-06212

$2.47

10

NUT

08361-3506A

$1.80