- Partiron
- OEM Parts
- Suzuki
- Motorcycle
- 2015
- VL1500TL5 (2015)
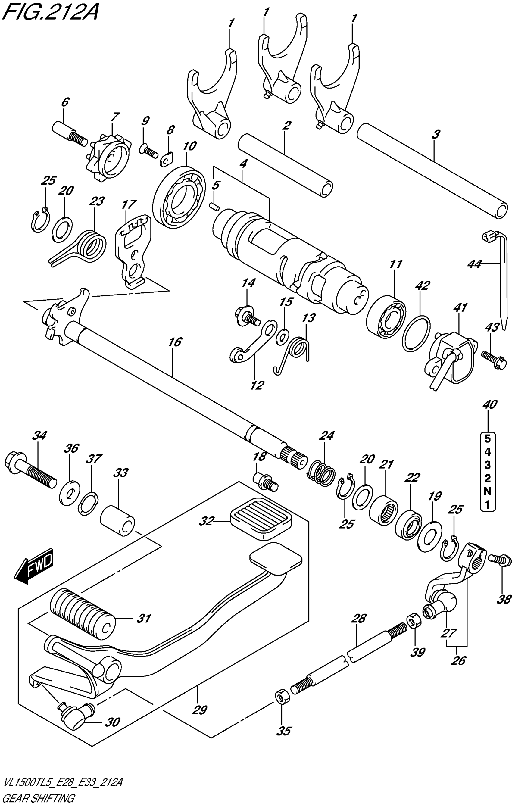
GEAR SHIFTING
Suzuki VL1500TL5 (2015) GEAR SHIFTING Diagram
#
Description
Price
16
SHAFT, GEAR SHIFT
25510-40H00
Unavailable
40
LABEL, GEAR SHIFT
68392-38B00
Unavailable
