- Partiron
- OEM Parts
- Suzuki
- Motorcycle
- 2015
- VL1500TL5 (2015)
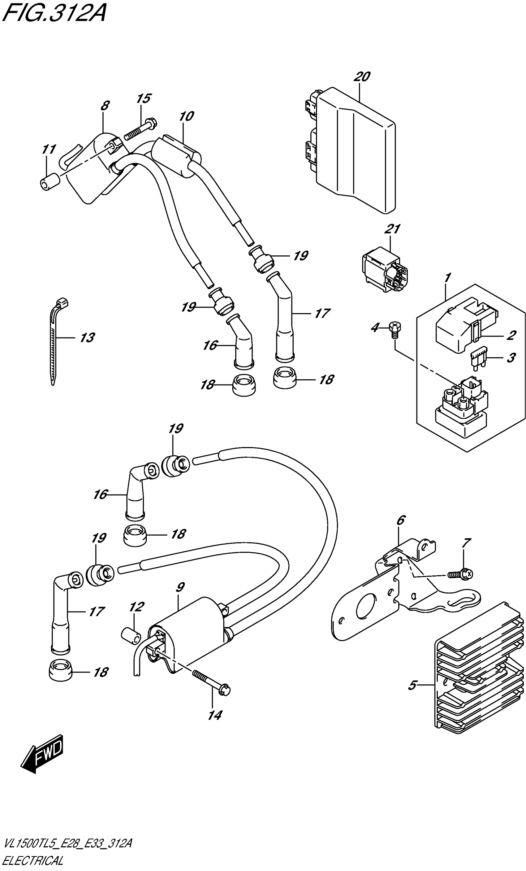
ELECTRICAL (VL1500TL5 E28)
Suzuki VL1500TL5 (2015) ELECTRICAL (VL1500TL5 E28) Diagram
#
Description
Price
6
BRACKET
32830-40H10
Unavailable
10
CUSHION, HIGH TENSION CORD
33442-41F00
Unavailable
