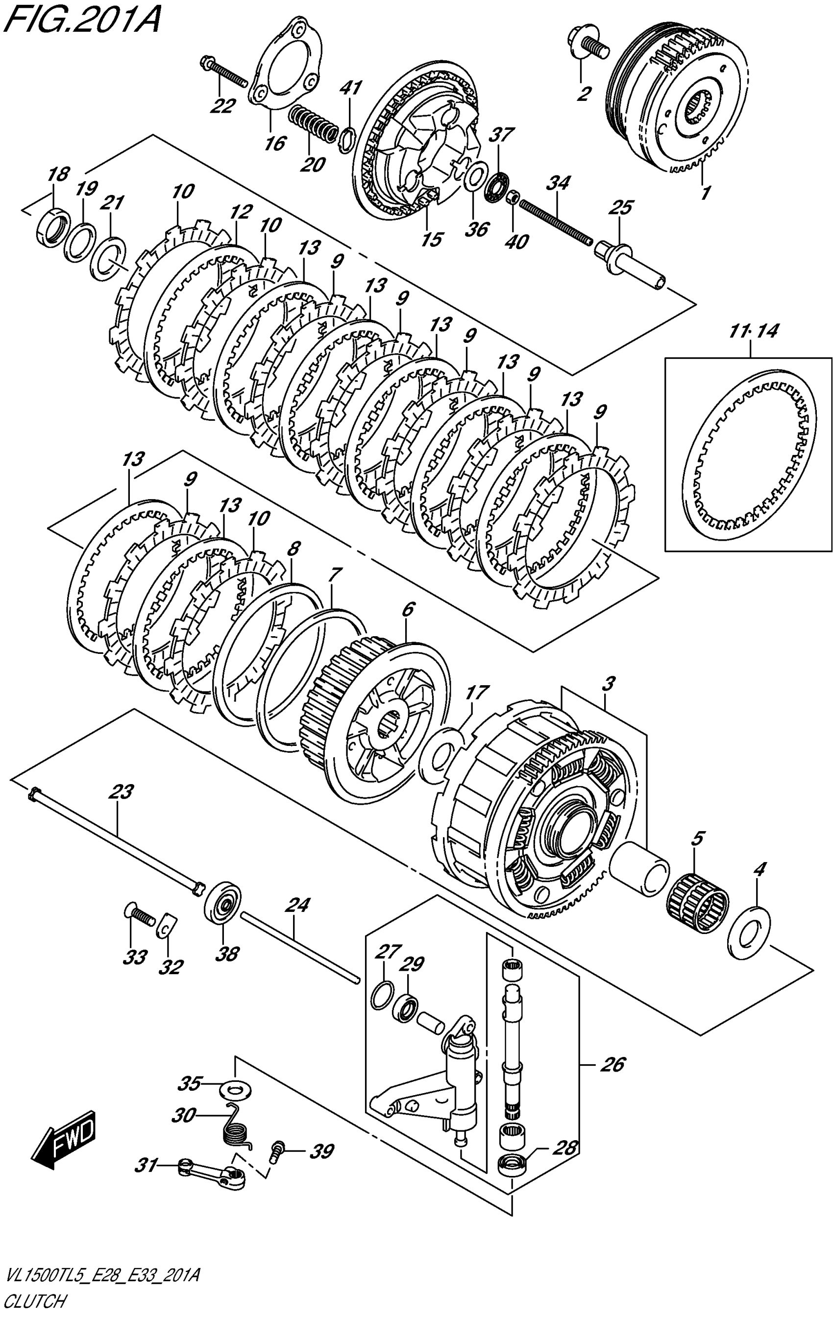
Suzuki VL1500TL5 (2015) CLUTCH Diagram
#
Description
Price
1
GEAR, PRIMARY DRIVE (NT:54)
21100-40821
Unavailable
24
ROD, CLUTCH PUSH LH
23111-40H00
Unavailable
26
CAMSHAFT SET, CLUTCH RELEASE
23120-41810
Unavailable
