- Partiron
- OEM Parts
- Suzuki
- Motorcycle
- 2017
- VL1500BL7 (2017)
AIR CLEANER (VL1500BL7 E03)
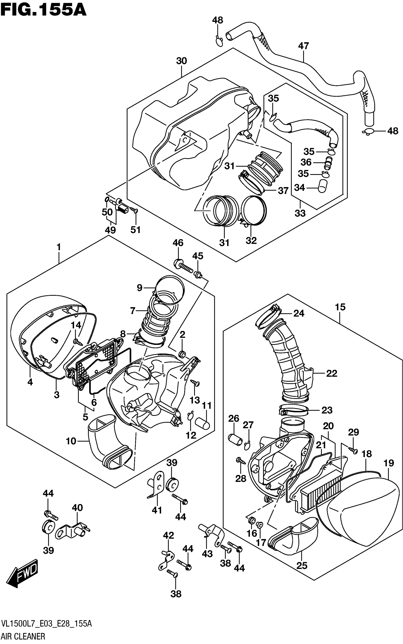
Suzuki VL1500BL7 (2017) AIR CLEANER (VL1500BL7 E03) Diagram
#
Description
Price
9
.CLAMP
13826-40H00
Unavailable
10
.TUBE, INLET
13891-40H01
Unavailable
25
.TUBE, INLET
13891-40H01
Unavailable
30
CHAMBER, AIR CLEANER
13710-40H01
Unavailable
31
.TUBE, OUTLET
13881-40H01
Unavailable
32
.CLAMP
13170-39H00
Unavailable
33
.TUBE, DRAIN
13870-40H00
Unavailable
37
.CLAMP
13826-40HB0
Unavailable
40
BRACKET, RH NO.1
13760-40H00
Unavailable
41
BRACKET, LH NO.1
13770-40H00
Unavailable
44
BOLT (6X30)
09103-06509
Unavailable
45
SPACER
13838-40H00
Unavailable
47
TUBE, BREATHER
13850-40H00
Unavailable
50
O-RING
13655-41F10
Unavailable
