- Partiron
- OEM Parts
- Suzuki
- Motorcycle
- 2015
- VL1500BL5 (2015)
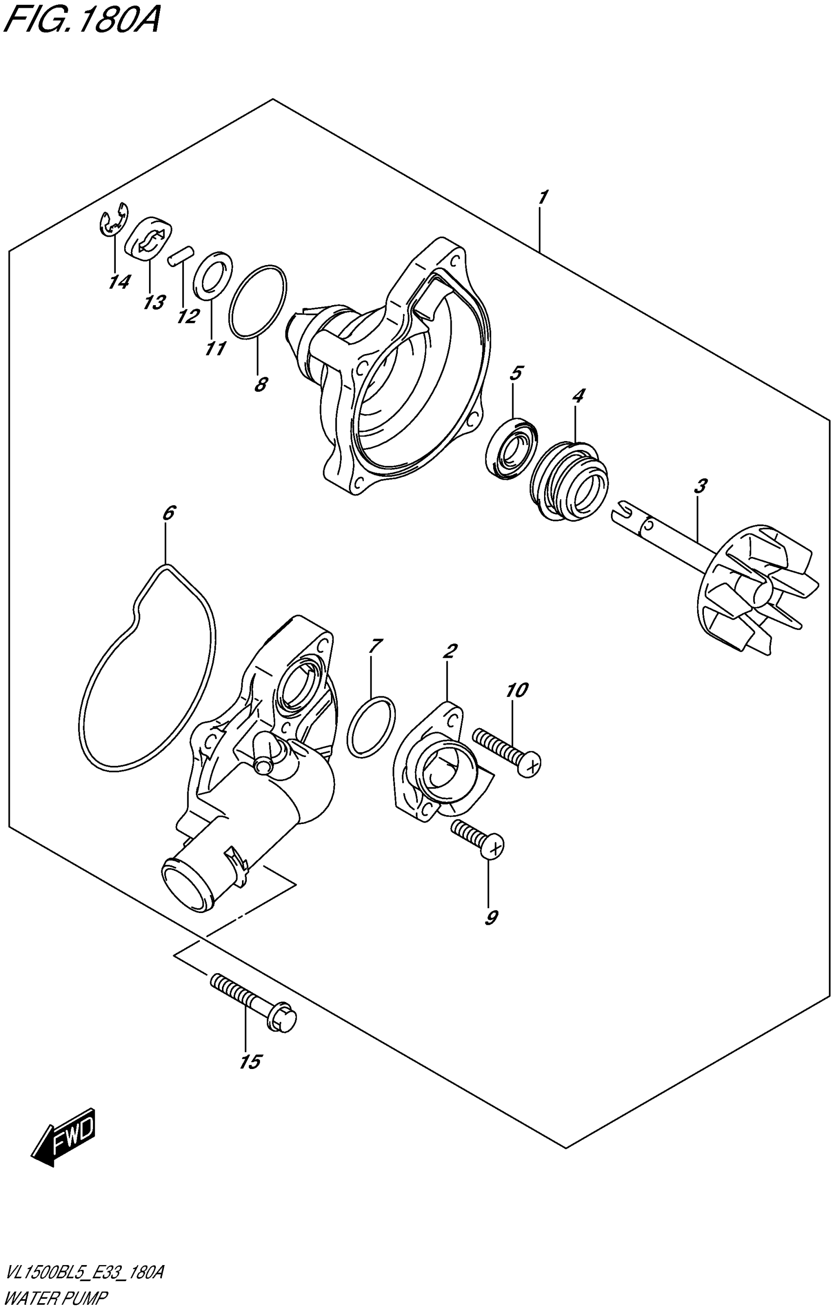
WATER PUMP
Suzuki VL1500BL5 (2015) WATER PUMP Diagram
#
Description
Price
2
CONNECTOR
17412-40H00
Unavailable
3
IMPELLER
17491-40H00
Unavailable
10
SCREW
02112-0635A
Unavailable
13
CAP
17432-11H00
Unavailable
