- Partiron
- OEM Parts
- Suzuki
- Motorcycle
- 2014
- VL1500BL4 (2014)
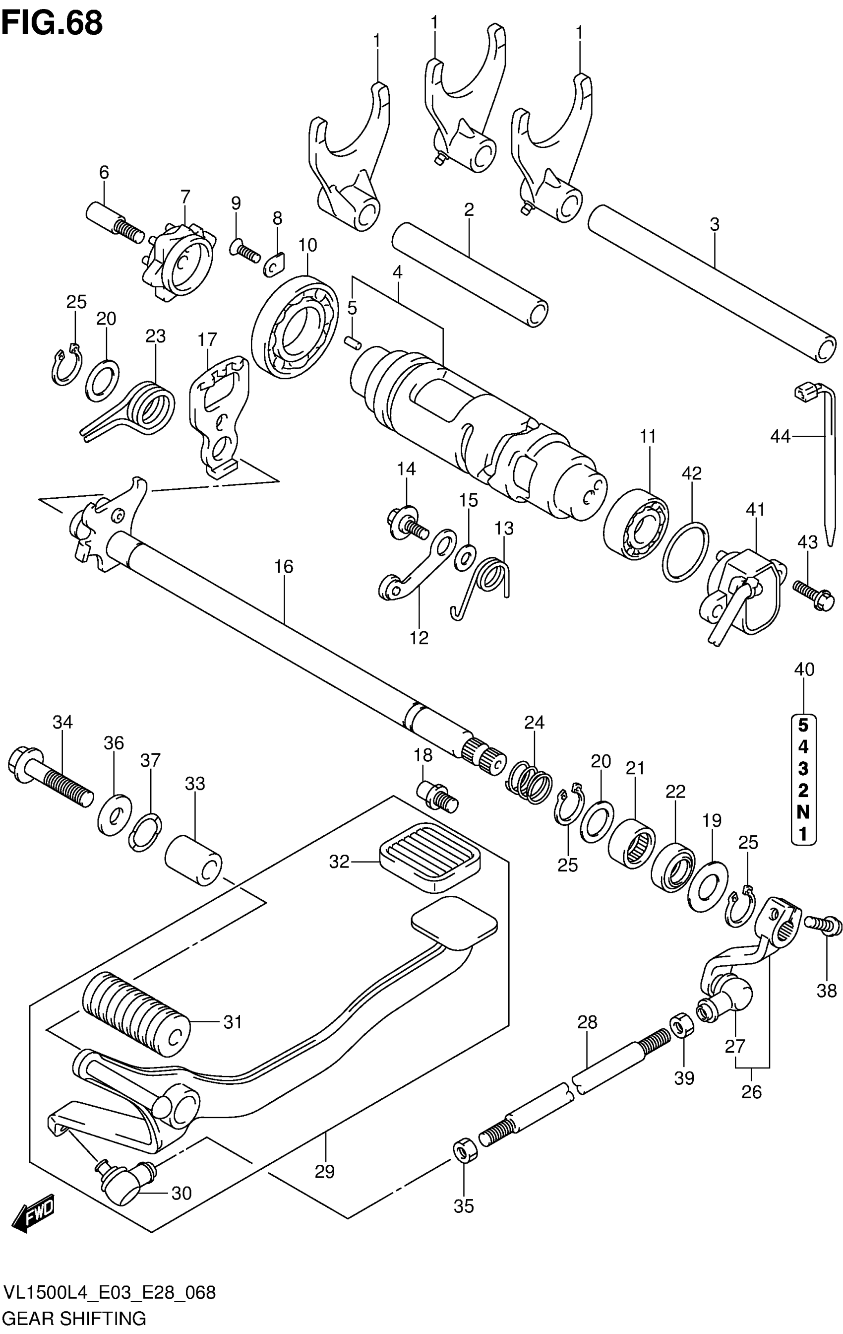
GEAR SHIFTING
Suzuki VL1500BL4 (2014) GEAR SHIFTING Diagram
#
Description
Price
16
SHAFT, GEAR SHIFT
25510-40H00
Unavailable
40
LABEL, GEAR SHIFT
68392-38B00
Unavailable
