- Partiron
- OEM Parts
- Yamaha
- snowmobile
- 2019
- VK5NFKW (VK540) 8KX61 2019
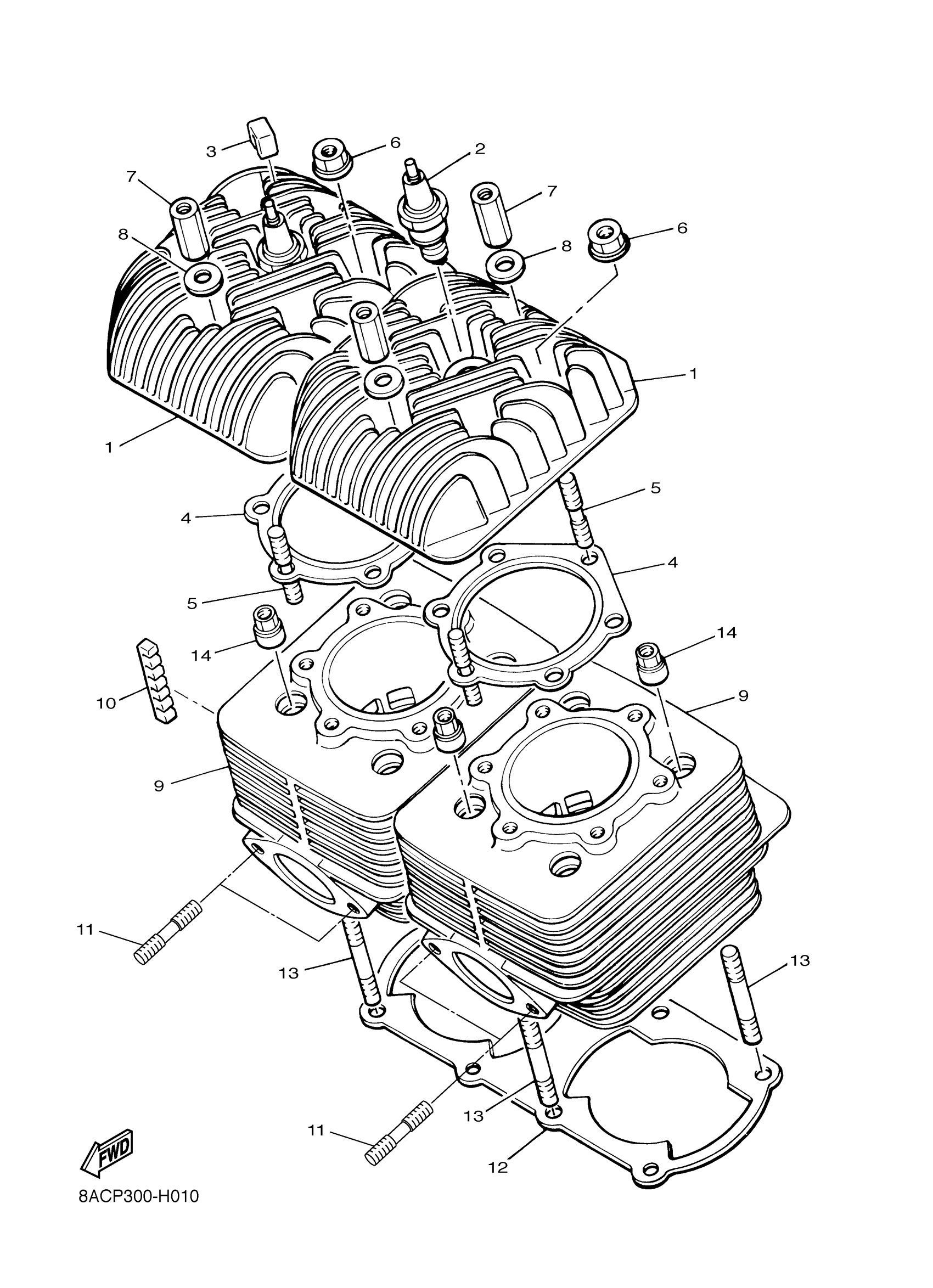
CYLINDER HEAD
Yamaha VK5NFKW (VK540) 8KX61 2019 CYLINDER HEAD Diagram
#
Description
Price
1
HEAD, CYLINDER 1
8R6-11111-00-00
Unavailable
2
BR9ES NGK SOLID TOP PLUG 4PK
BR9-ES01P-C0-00
Unavailable
11
BOLT, STUD
95612-08318-00
Unavailable
