- Partiron
- OEM Parts
- Yamaha
- snowmobile
- 1996
- VK540EW (VK540 II) 1996
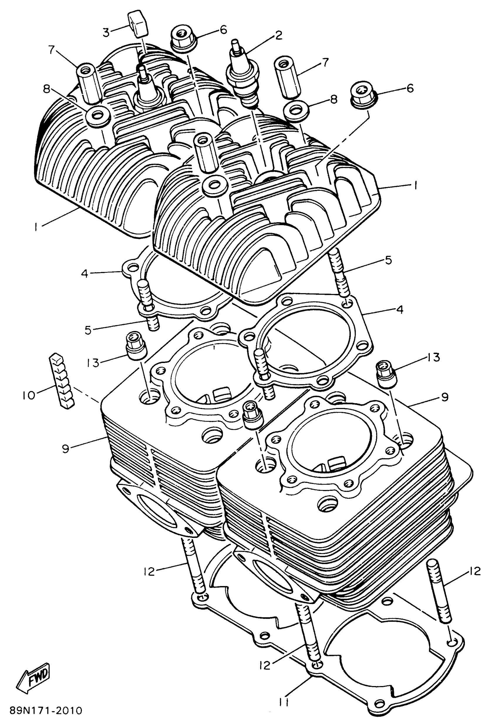
CYLINDER HEAD
Yamaha VK540EW (VK540 II) 1996 CYLINDER HEAD Diagram
#
Description
Price
1
HEAD, CYLINDER 1
8R6-11111-00-00
Unavailable
2
BR9ES NGK SOLID TOP PLUG 4PK
BR9-ES01P-C0-00
Unavailable
