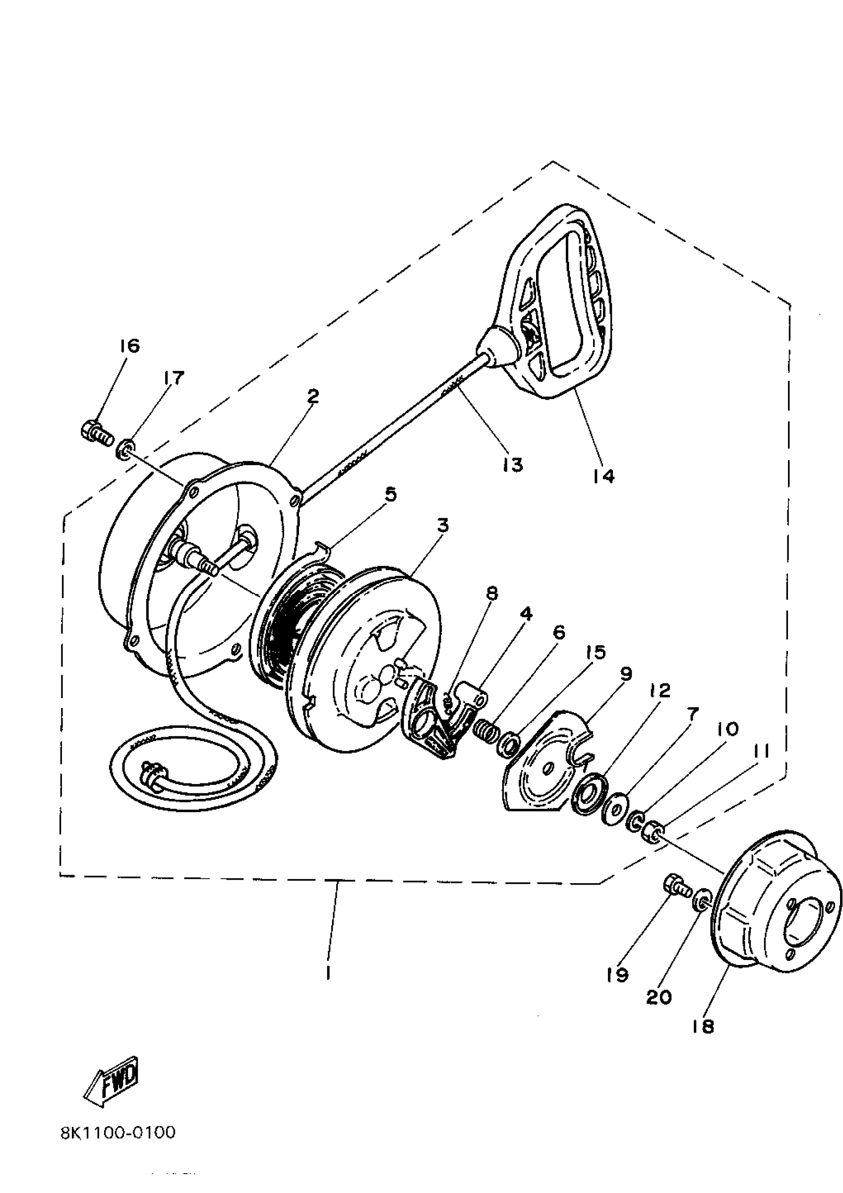
Yamaha VK540EV (VK540 II) 1995 STARTER Diagram
#
Description
Price
2
CASE, STARTER
8H8-15711-00-00
Unavailable
10
WASHER, SPRING
92995-06100-00
Unavailable
16
BOLT(8CP)
97017-06014-00
Unavailable
17
WASHER, SPRING
92907-06100-00
Unavailable
18
PULLEY, STARTER
8H8-15723-01-00
Unavailable
19
BOLT, HEXAGON
97017-08020-00
Unavailable
20
WASHER(JN5)
92907-08100-00
Unavailable
