- Partiron
- OEM Parts
- Yamaha
- snowmobile
- 1995
- VK540EV (VK540 II) 1995
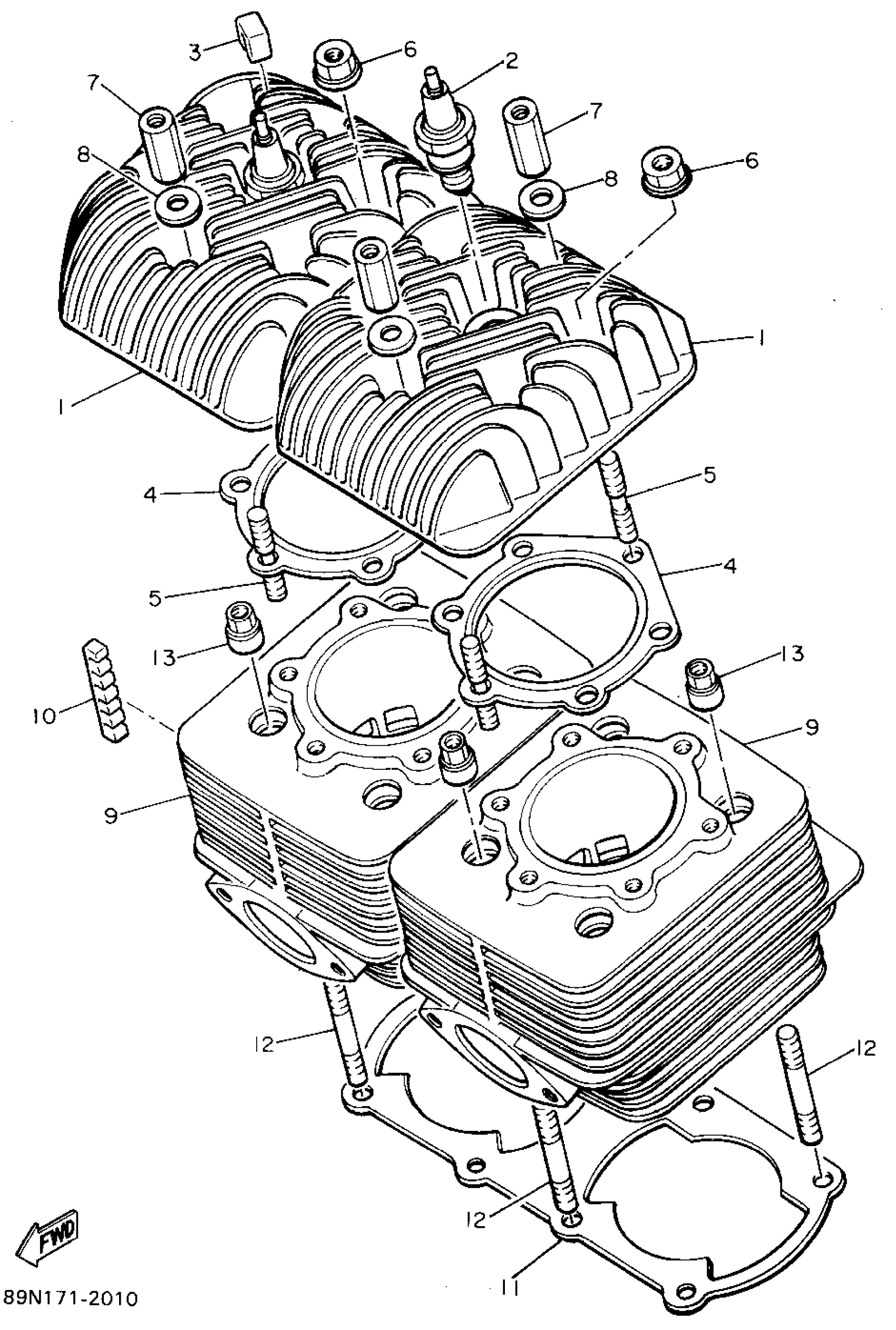
CYLINDER HEAD
Yamaha VK540EV (VK540 II) 1995 CYLINDER HEAD Diagram
#
Description
Price
1
HEAD, CYLINDER 1
8R6-11111-00-00
Unavailable
2
BR9ES NGK SOLID TOP PLUG 4PK
BR9-ES01P-C0-00
Unavailable
