- Partiron
- OEM Parts
- Yamaha
- snowmobile
- 1993
- VK540ET (VK540 II) 1993
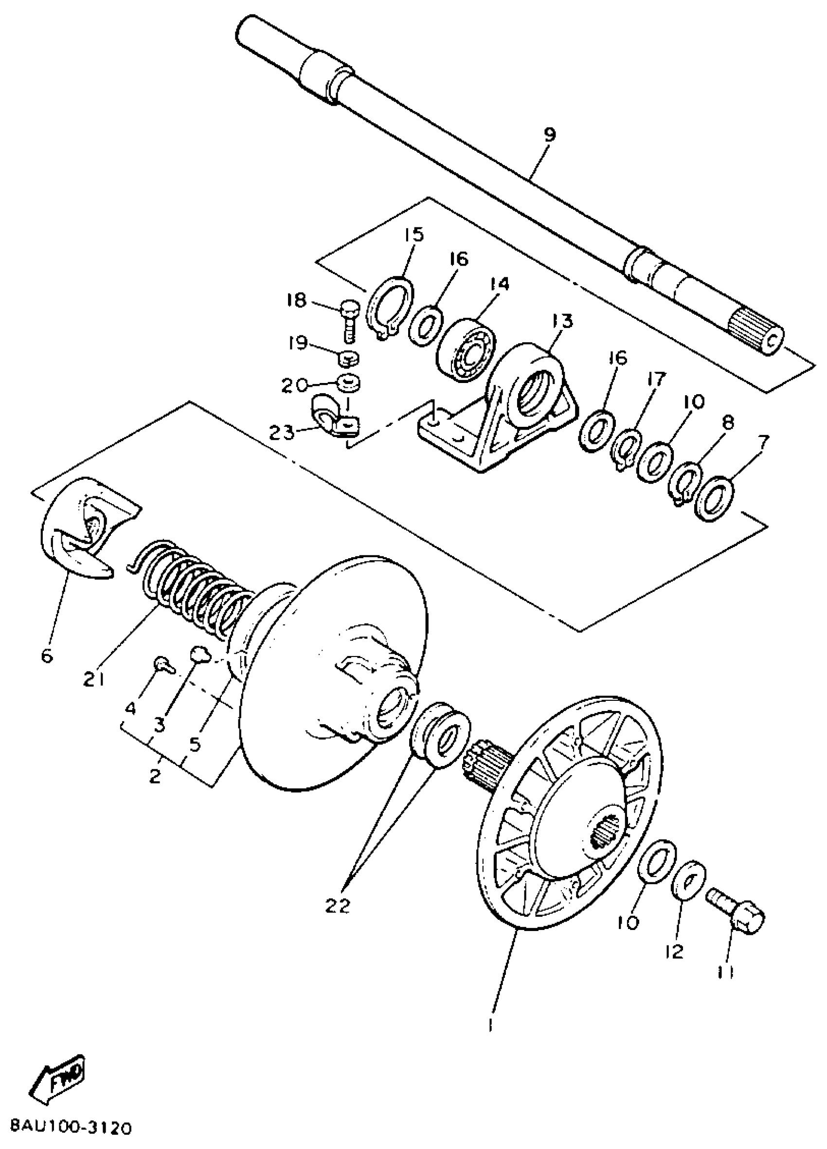
SECONDARY SHEAVE
Yamaha VK540ET (VK540 II) 1993 SECONDARY SHEAVE Diagram
#
Description
Price
1
SECONDARY FIXED SHEAVE COMP.
88R-17660-12-00
Unavailable
2
SEC SLIDING SHEAVE
8AV-17670-12-00
Unavailable
5
BUSH, BIMETAL FORMED (90384-90081-00)
90380-90117-00
Unavailable
6
SEAT, SECONDARY SPRING
8AT-17684-01-00
Unavailable
16
WASHER, PLATE(J38)
90201-257J2-00
Unavailable
17
CIRCLIP (256)
93410-25017-00
Unavailable
18
BOLT, HEXAGON
97017-08025-00
Unavailable
19
WASHER(JN5)
92907-08100-00
Unavailable
20
.. WASHER, PLATE
92990-08600-00
Unavailable
21
SPRING, TORSION(84M)
90508-50746-00
Unavailable
22
WASHER, PLATE (8U9)
90201-345G2-00
Unavailable
23
CLAMP (706)
90465-06100-00
Unavailable
