- Partiron
- OEM Parts
- Yamaha
- snowmobile
- 1991
- VK540ER (VK540) 1991
TRACK SUSPENSION 3
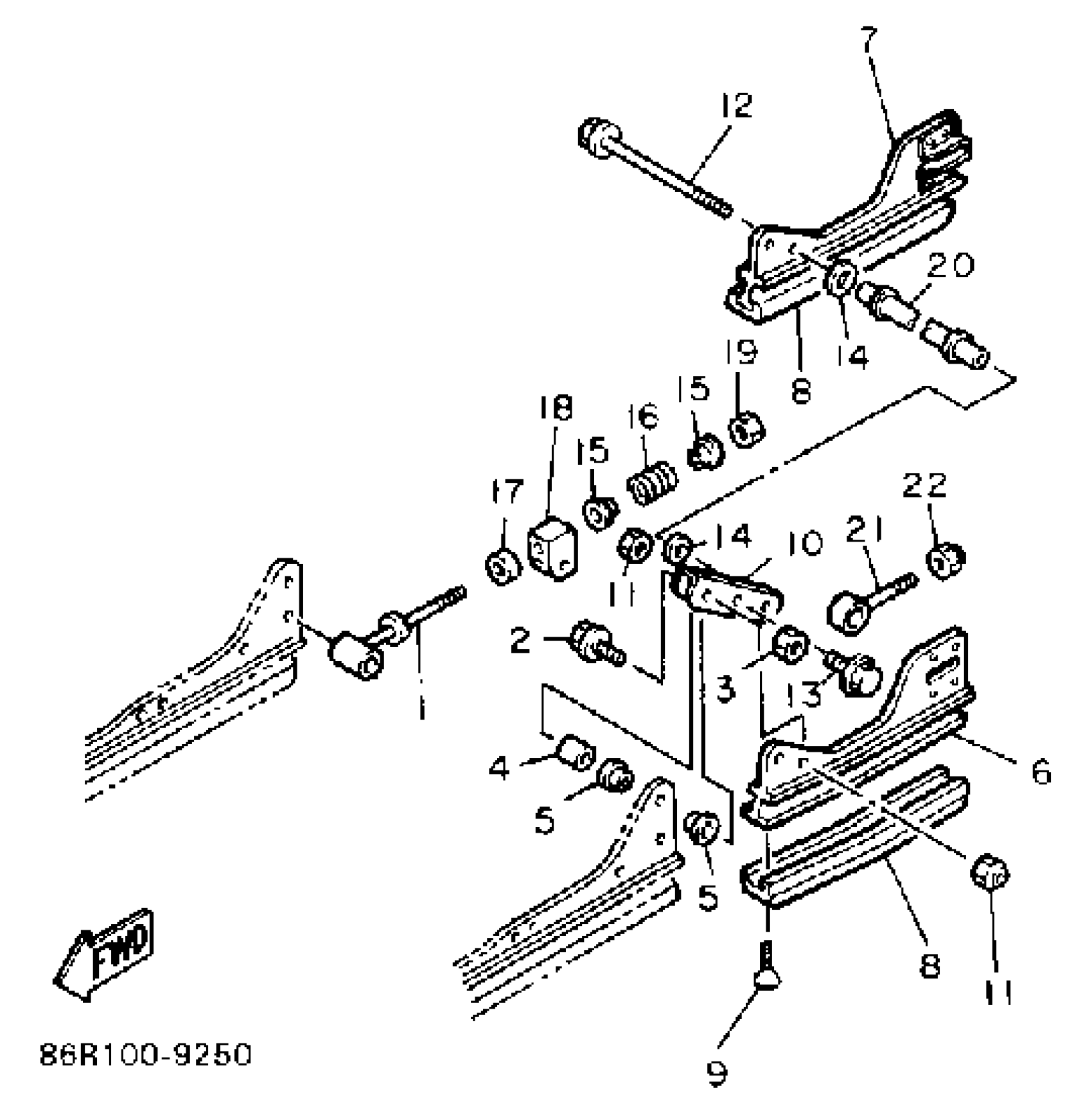
Yamaha VK540ER (VK540) 1991 TRACK SUSPENSION 3 Diagram
#
Description
Price
1
SHAFT, PIVOT
83R-47337-00-00
Unavailable
3
NUT, SELF-LOCKING (8U7)
90185-10115-00
Unavailable
6
FRAME, SLIDING
83R-W4741-00-00
Unavailable
7
FRAME, SLIDING
83R-W4741-00-00
Unavailable
8
RUNNER, SLIDING 4
83R-47424-00-00
Unavailable
10
ARM, PIVOT 3
83R-47333-01-00
Unavailable
16
SPRING, COMPRESSION(83R)
90501-407E4-00
Unavailable
17
SPRING
83R-47335-00-00
Unavailable
18
HOOK 1
83R-47446-00-00
Unavailable
19
NUT, NYLON
95717-12300-00
Unavailable
20
COLLAR 2
8AC-47478-00-00
Unavailable
21
COLLAR 3
8K2-47479-01-00
Unavailable
22
NUT, NYLON
95707-10300-00
Unavailable
