- Partiron
- OEM Parts
- Yamaha
- snowmobile
- 1990
- VK540EP (VK540) 1990
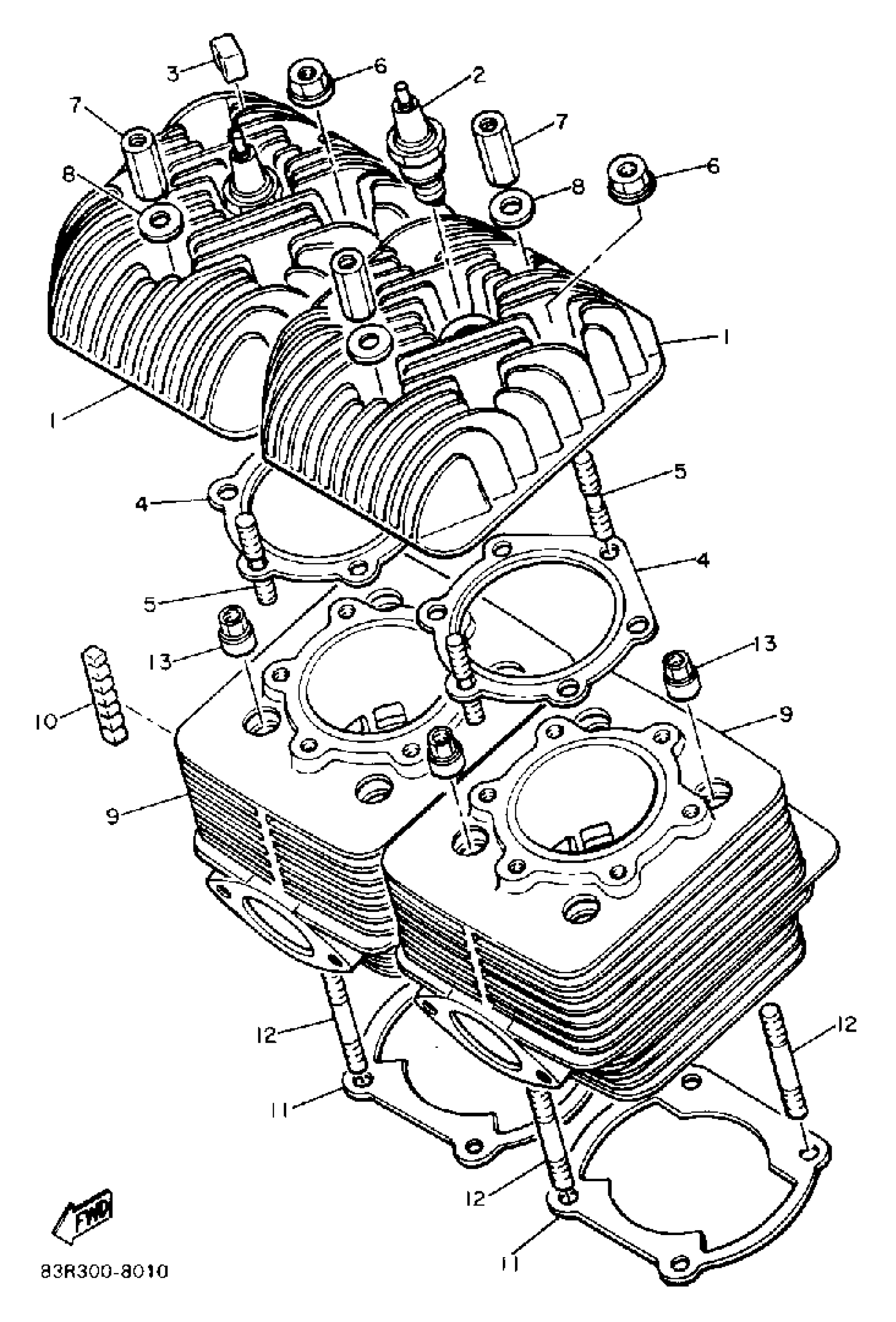
CYLINDER HEAD
Yamaha VK540EP (VK540) 1990 CYLINDER HEAD Diagram
#
Description
Price
1
HEAD, CYLINDER 1
8R6-11111-00-00
Unavailable
2
BR9ES NGK SCREW TOP PLUG 4PK
BR9-ES000-00-00
Unavailable
