- Partiron
- OEM Parts
- Yamaha
- snowmobile
- 1989
- VK540EN (VK540) 1989
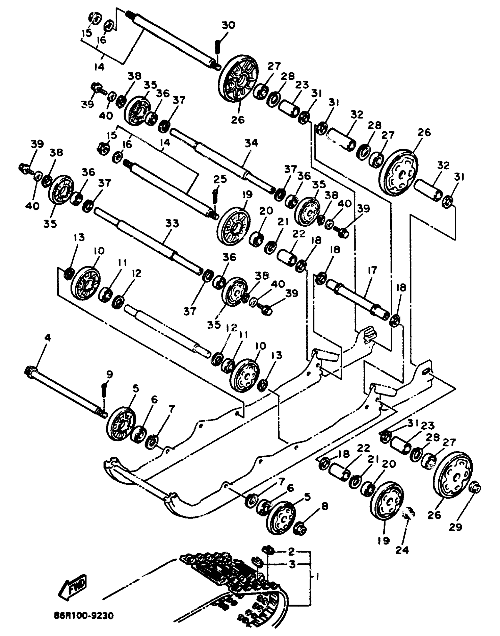
TRACK SUSPENSION 1
Yamaha VK540EN (VK540) 1989 TRACK SUSPENSION 1 Diagram
#
Description
Price
1
TRACK ASSY
8AC-47110-11-00
Unavailable
3
METAL, SLIDE
8A5-47115-00-00
Unavailable
4
SHAFT 5
83R-47487-00-00
Unavailable
16
WASHER, PLATE
90201-144L3-00
Unavailable
17
COLLAR 1
83R-47469-00-00
Unavailable
18
WASHER, PLATE (888)
90201-20279-00
Unavailable
19
SUSPENSION WHEEL COMP.
8U7-47320-00-00
Unavailable
22
COLLAR
90387-20022-00
Unavailable
23
COLLAR(83R)
90387-200U9-00
Unavailable
24
NUT, SELF-LOCKING(83R)
90185-14142-00
Unavailable
26
GUIDE WHEEL COMP.
8K2-47530-00-00
Unavailable
27
BRG,R-B 62042RS 47MM 110G KY
93306-20417-00
Unavailable
28
CIRCLIP(48Y)
99009-47500-00
Unavailable
29
NUT, SELF-LOCKING(83R)
90185-14142-00
Unavailable
31
WASHER, PLATE (888)
90201-20279-00
Unavailable
32
COLLAR(83R)
90387-205T6-00
Unavailable
33
IDLER
83R-47461-00-00
Unavailable
34
SHAFT 6
99999-02678-00
Unavailable
35
SUSPENSION WHEEL COMP.
8H8-47320-00-00
Unavailable
39
BOLT, FLANGE(8AB)
95817-08020-00
Unavailable
40
WASHER (853)
90201-08326-00
Unavailable
