- Partiron
- OEM Parts
- Yamaha
- snowmobile
- 1989
- VK540EN (VK540) 1989
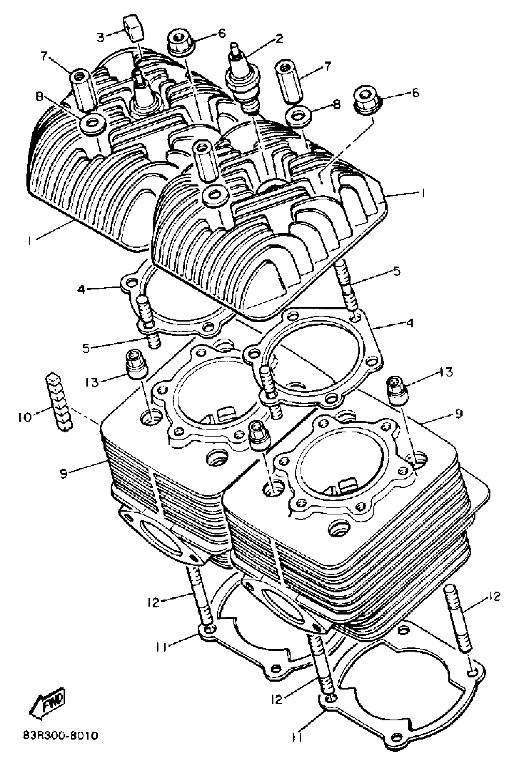
CYLINDER HEAD-CYLINDER
Yamaha VK540EN (VK540) 1989 CYLINDER HEAD-CYLINDER Diagram
#
Description
Price
1
HEAD, CYLINDER 1
8R6-11111-00-00
Unavailable
2
BR9ES NGK SCREW TOP PLUG 4PK
BR9-ES000-00-00
Unavailable
