Partiron

Yamaha VK540ED (VK540 III) 8AC7 2000 TRACK DRIVE 1 Diagram

#

Description
Price

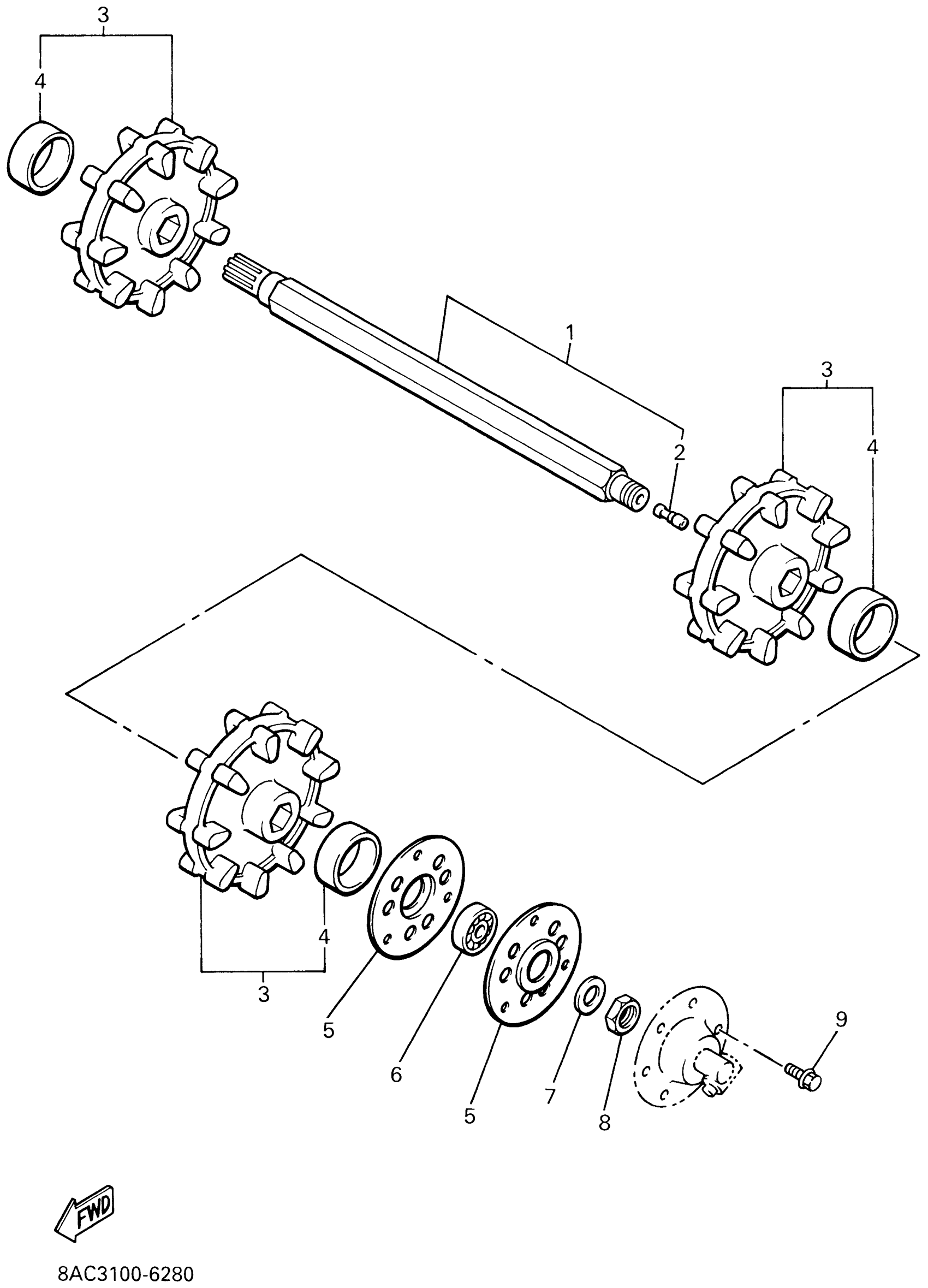
1

AXLE, FRONT

83R-W4751-10-00

Unavailable

2

CONNECTOR

8K4-47577-00-00

$20.99

3

WHEEL, SPROCKET 1

83R-W4753-01-00

$211.99

4

COLLAR(83R)

90387-514Y2-00

$20.99

5

HOUSING, FRONT AXLE

83R-47551-00-00

$39.99

6

BRG,R-B 6005 47MM 85G KY

93306-00507-00

$42.99

7

WASHER, CONICAL SPRING(83R)

90208-25045-00

$15.99

8

NUT(83R)

90170-25367-00

$12.49

9

BOLT, FLANGE

95817-08014-00

$5.60