- Partiron
- OEM Parts
- Yamaha
- snowmobile
- 1999
- VK540EC (VK540 III) 8AC6 1999
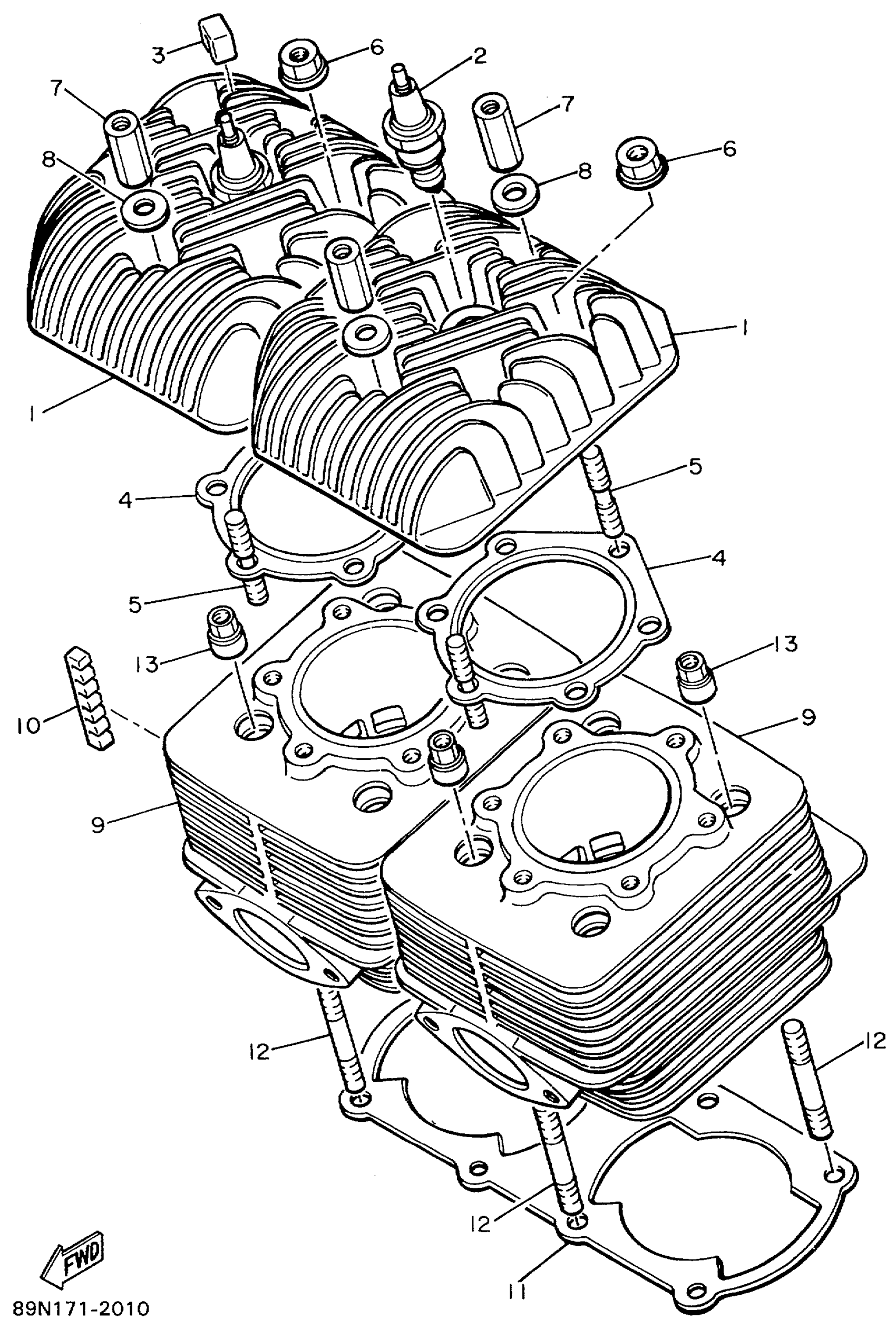
CYLINDER HEAD
Yamaha VK540EC (VK540 III) 8AC6 1999 CYLINDER HEAD Diagram
#
Description
Price
1
HEAD, CYLINDER 1
8R6-11111-00-00
Unavailable
2
BR9ES NGK SOLID TOP PLUG 4PK
BR9-ES01P-C0-00
Unavailable
