Partiron

Yamaha VK540EB (VK540 II) 1998 STEERING GATE Diagram

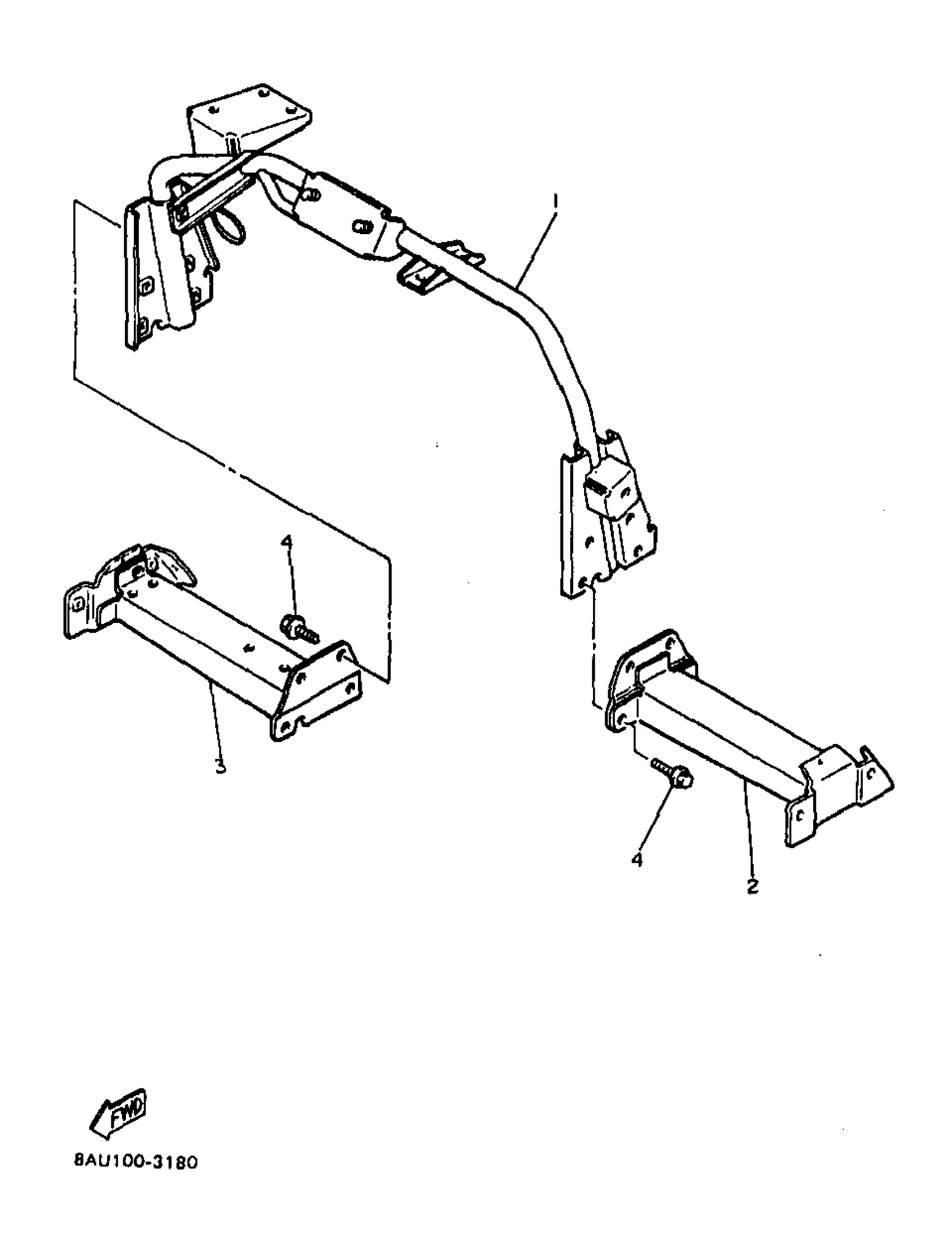
#

Description
Price

1

STEERING GATE COMP.

83R-23870-00-00

Unavailable

2

BRACKET 3

8AT-23883-01-00

$64.99

3

BRACKET 4

8AT-23884-00-00

Unavailable

4

BOLT, FLANGE(JN5)

95817-08016-00

$5.49