- Partiron
- OEM Parts
- Yamaha
- snowmobile
- 1998
- VK540EB (VK540 II) 1998
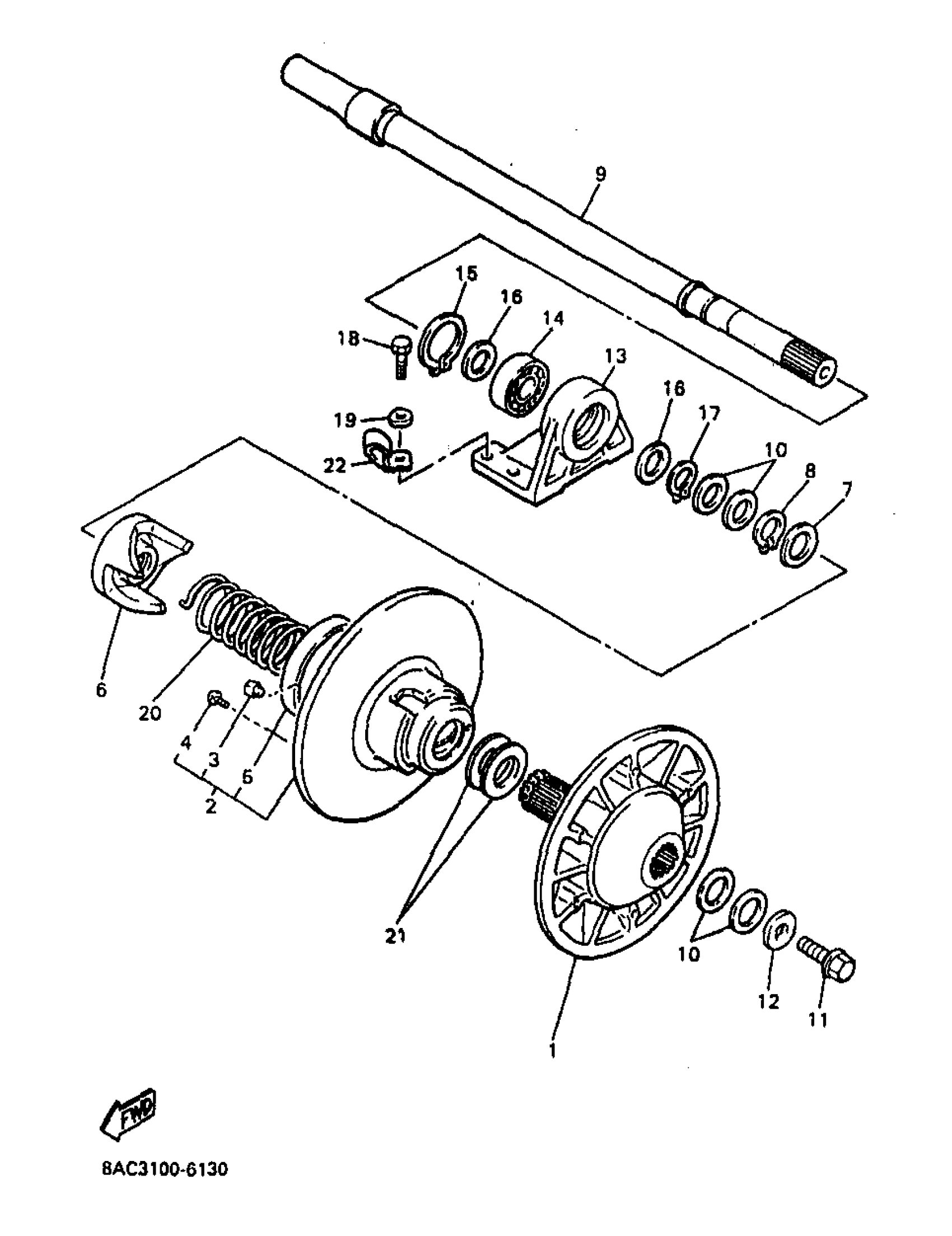
SECONDARY SHEAVE
Yamaha VK540EB (VK540 II) 1998 SECONDARY SHEAVE Diagram
#
Description
Price
1
SECONDARY FIXED SHEAVE COMP.
88R-17660-12-00
Unavailable
2
SECONDARY SLIDING SHEAVE
8AT-17670-01-00
Unavailable
6
SEAT, SECONDARY SPRING
8AT-17684-01-00
Unavailable
14
BEARING(83R)
93306-20582-00
Unavailable
15
CIRCLIP(26H)
99009-52500-00
Unavailable
16
WASHER, PLATE(J38)
90201-257J2-00
Unavailable
17
CIRCLIP (256)
93410-25017-00
Unavailable
18
BOLT, HEXAGON
97017-08025-00
Unavailable
19
WASHER(6TA)
92907-08600-00
Unavailable
20
SPRING, TORSION(84M)
90508-50746-00
Unavailable
21
WASHER, PLATE (8U9)
90201-345G2-00
Unavailable
22
CLAMP (706)
90465-06100-00
Unavailable
