- Partiron
- OEM Parts
- Yamaha
- snowmobile
- 1998
- VK540EB (VK540 II) 1998
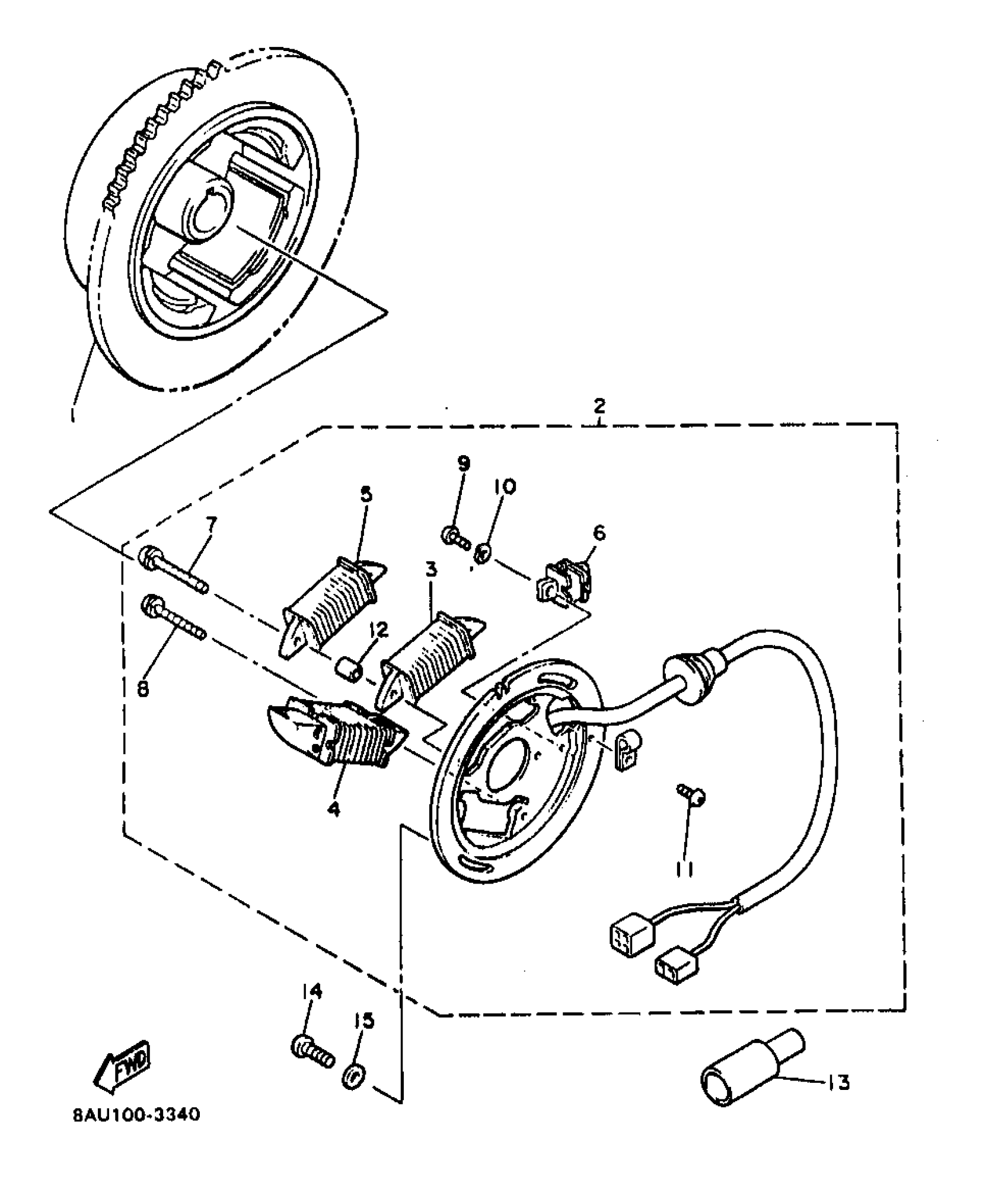
GENERATOR
Yamaha VK540EB (VK540 II) 1998 GENERATOR Diagram
#
Description
Price
1
ROTOR ASSY
8AT-85550-01-00
Unavailable
3
COIL, CHARGE
81L-85520-M0-00
Unavailable
5
COIL, LIGHTING 2
81L-81314-M0-00
Unavailable
6
PULSER ASSY
8R4-85580-M0-00
Unavailable
9
SCREW, PAN HEAD
98511-04012-00
Unavailable
13
COVER, CONNECTER
8Y0-82599-00-00
Unavailable
