Partiron

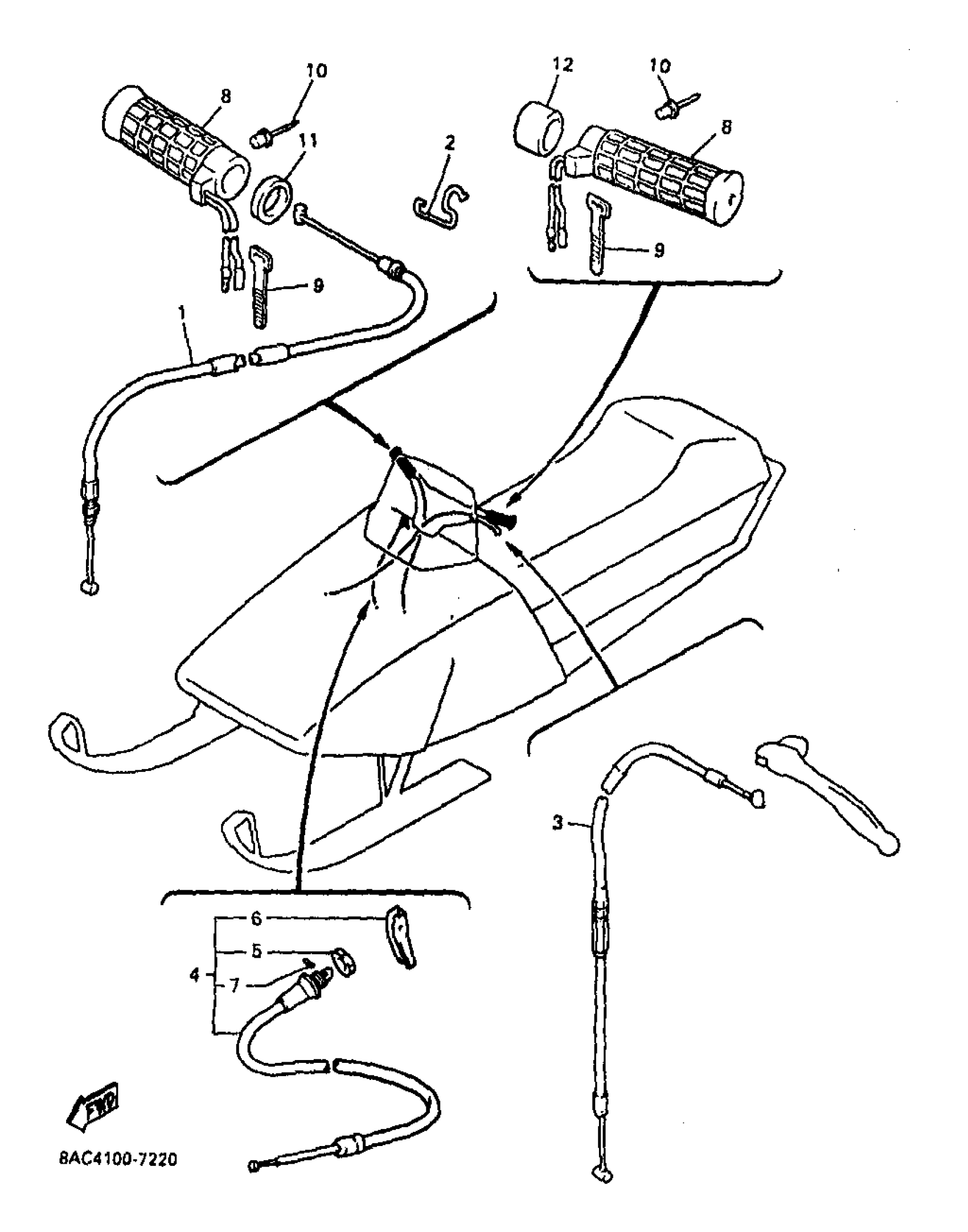
Yamaha VK540EB (VK540 II) 1998 CONTROL CABLE Diagram

#

Description
Price

1

CABLE, THROTTLE 1

83R-26311-10-00

Unavailable

2

CLAMP (8X0)

90465-10189-00

$8.49

3

CABLE, BRAKE

87R-26340-01-00

Unavailable

4

CABLE, STARTER 1

89X-26331-00-00

Unavailable

5

Nut

8G8-26333-00-00

Unavailable

6

KNOB, STARTER

8U9-26325-00-00

$13.99

7

PIN, SPRING (663)

91690-30010-00

Unavailable

8

88T GRIP BLACK 1 PC

88T-26240-85-BK

Unavailable

9

BAND, SWITCH CORD

437-83936-01-00

$7.99

10

RIVET, BLIND (8K1)

90267-40076-00

$8.49

11

WASHER, PLAIN

80Y-23843-00-00

$4.94

12

COLLAR

90387-22726-00

Unavailable