Yamaha VK1NFPLV (VK PROFESSIONAL II) 8LP61 2020 ELECTRICAL 1 Diagram
#
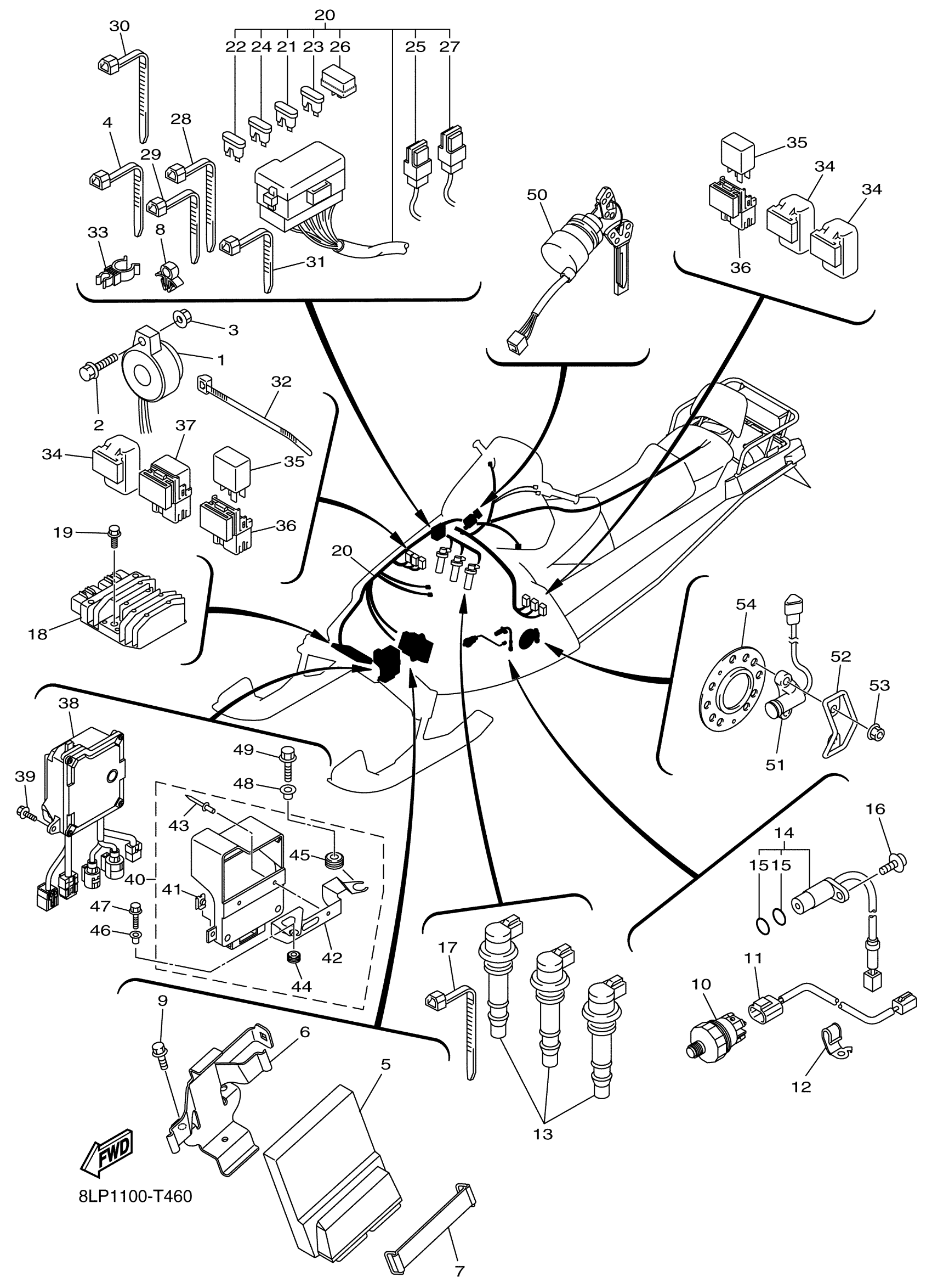
1
BUZZER
8GL-83383-00-00
Unavailable
6
BRACKET, UNIT
8KW-85991-00-00
Unavailable
8
CLAMP
90464-07016-00
Unavailable
12
CLAMP
90465-08030-00
Unavailable
16
BOLT, HEXAGON SOCKET HEAD
90110-06219-00
Unavailable
18
RECTIFIER & REGULATOR ASSY
1D7-81960-01-00
Unavailable
19
. BOLT, FLANGE
90105-06185-00
Unavailable
20
WIRE HARNESS ASSY
8LP-82590-00-00
Unavailable
21
. FUSE (3A)
67F-82151-30-00
Unavailable
22
. FUSE (10A)
67F-82151-40-00
Unavailable
23
FUSE (15A)
67F-82151-50-00
Unavailable
24
FUSE
5JJ-82151-20-00
Unavailable
25
SLOW BLOW FUSE
JR9-82151-00-00
Unavailable
26
DIODE ASSY
4WA-81980-00-00
Unavailable
27
FUSE
4FM-82151-00-00
Unavailable
30
BAND, SWITCH CORD
25G-83936-01-00
Unavailable
31
CLAMP
90464-13077-00
Unavailable
32
CLAMP(3XW)
90464-35132-00
Unavailable
33
CLAMP
90464-14005-00
Unavailable
34
RELAY ASSY
5DM-81950-01-00
Unavailable
35
RELAY ASSY (8HG-10
8HG-81951-10-00
Unavailable
36
HOLDER, RELAY
8HG-81952-00-00
Unavailable
37
RELAY ASSY
8GN-81950-00-00
Unavailable
38
POWER STRG. CONT. UNIT ASSY
8HG-859A0-11-00
Unavailable
39
BOLT, FLANGE
95817-06020-00
Unavailable
40
BRACKET SUB ASSY (LEFT)
8LP-2740A-00-00
Unavailable
41
NUT, SPRING(4ES)
90183-06069-00
Unavailable
42
BRACKET 1
8LP-2836A-00-00
Unavailable
43
RIVET, BLIND (8L0)
90267-48059-00
Unavailable
44
GROMMET
90480-13003-00
Unavailable
45
GROMMET(1AA)
90480-18435-00
Unavailable
46
COLLAR (11G)
90387-061F9-00
Unavailable
47
BOLT, FLANGE
95822-06025-00
Unavailable
48
COLLAR
90387-08016-00
Unavailable
49
BOLT, FLANGE(6TA)
95817-08030-00
Unavailable
50
MAIN SWITCH ASSY
8HV-82510-00-00
Unavailable
51
SENSOR, SPEED
8GK-83755-12-00
Unavailable
52
COVER 2
8GC-2198G-00-00
Unavailable
53
NUT, NYLON
95717-08300-00
Unavailable
54
HOUSING, FRONT AXLE
8EK-47551-00-00
Unavailable
