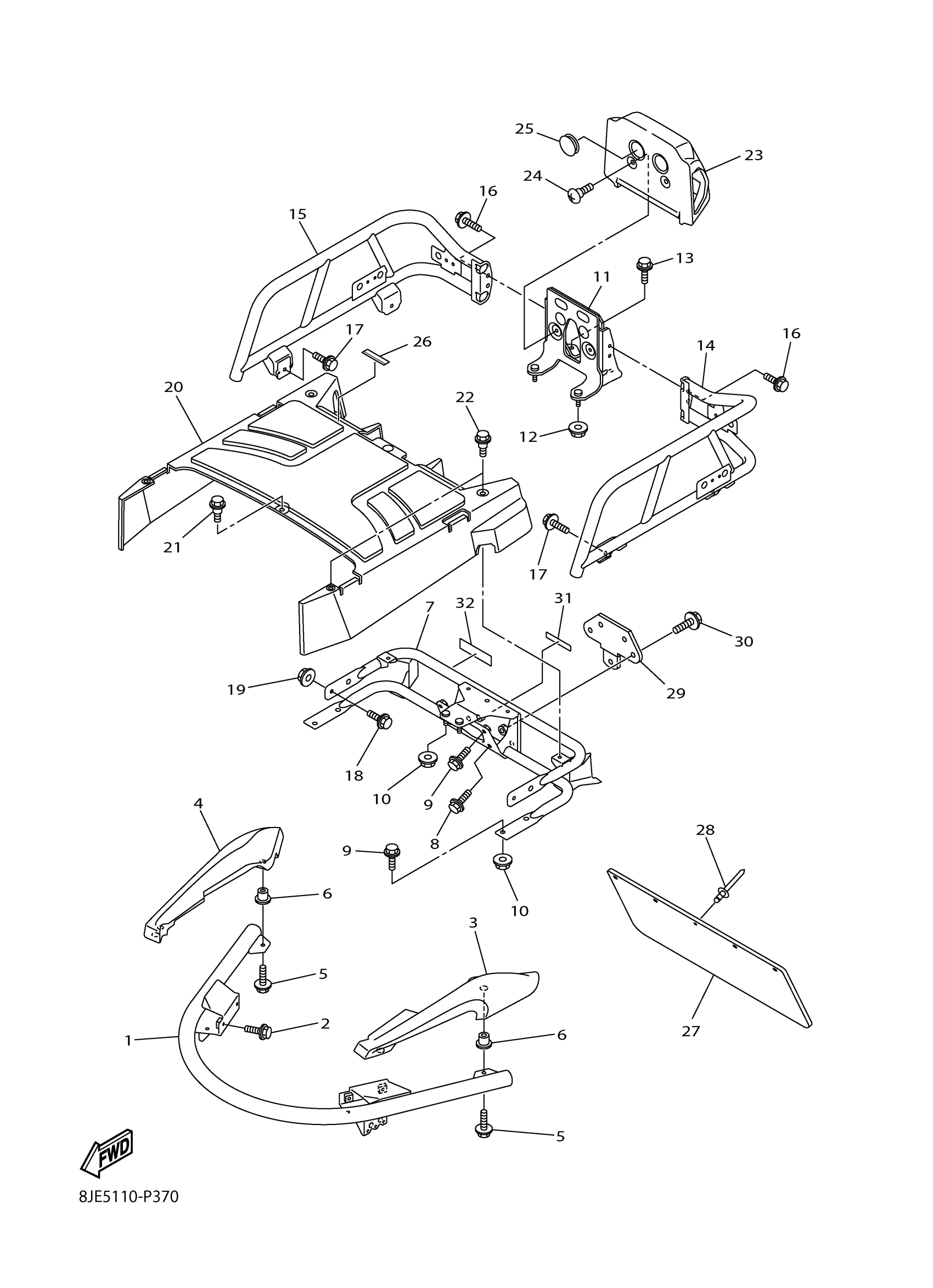
Yamaha VK10FW (RS VIKING PROFESSIONAL) 8JE50 2015 BUMPER Diagram
#
Description
Price
1
BUMPER, FRONT 1
8FN-77511-20-00
Unavailable
3
END, BUMPER
8FN-77523-00-00
Unavailable
4
END, BUMPER
8FN-77524-00-00
Unavailable
14
BUMPER, REAR 3
8JE-77543-00-00
Unavailable
15
BUMPER, REAR 4
8JE-77544-00-00
Unavailable
18
BOLT, FLANGE
95817-06014-00
Unavailable
19
NUT, FLANGE
95702-06500-00
Unavailable
20
PROTECTOR 1
8FN-77551-00-00
Unavailable
21
BOLT
90109-06272-00
Unavailable
22
BOLT(3KJ)
90109-063F1-00
Unavailable
23
PROTECTOR 2
8FN-77552-00-00
Unavailable
24
SCREW, BINDING
90154-06009-00
Unavailable
25
PLUG(XA1)
90338-28242-00
Unavailable
26
EMBLEM
8FM-24897-01-00
Unavailable
27
FLAP
83R-77595-00-00
Unavailable
28
RIVET, BLIND (8R6)
90267-48086-00
Unavailable
29
BRACKET, HITCH 2
84R-77592-00-00
Unavailable
30
BOLT, FLANGE(4LN)
95817-08025-00
Unavailable
31
LABEL, PULLING LOAD LIMIT
8GS-2817S-E0-00
Unavailable
32
LABEL, WARNING 5
8JT-77765-E0-00
Unavailable
