- Partiron
- OEM Parts
- Polaris
- Motorcycle
- VIC
- 2010
- VISION TOUR PREMIUM/NESS/8 BALL ALL OPTIONS - V10SD36/SC36/VB36
ELECTRICAL, TURN SIGNAL, REAR and TAILLIGHT - V10SD36/SC36/VB36 ALL OPTIONS (49VICTAILLIGHT10VN)
Polaris VISION TOUR PREMIUM/NESS/8 BALL ALL OPTIONS - V10SD36/SC36/VB36 ELECTRICAL, TURN SIGNAL, REAR and TAILLIGHT - V10SD36/SC36/VB36 ALL OPTIONS (49VICTAILLIGHT10VN) Diagram
#
Description
Price
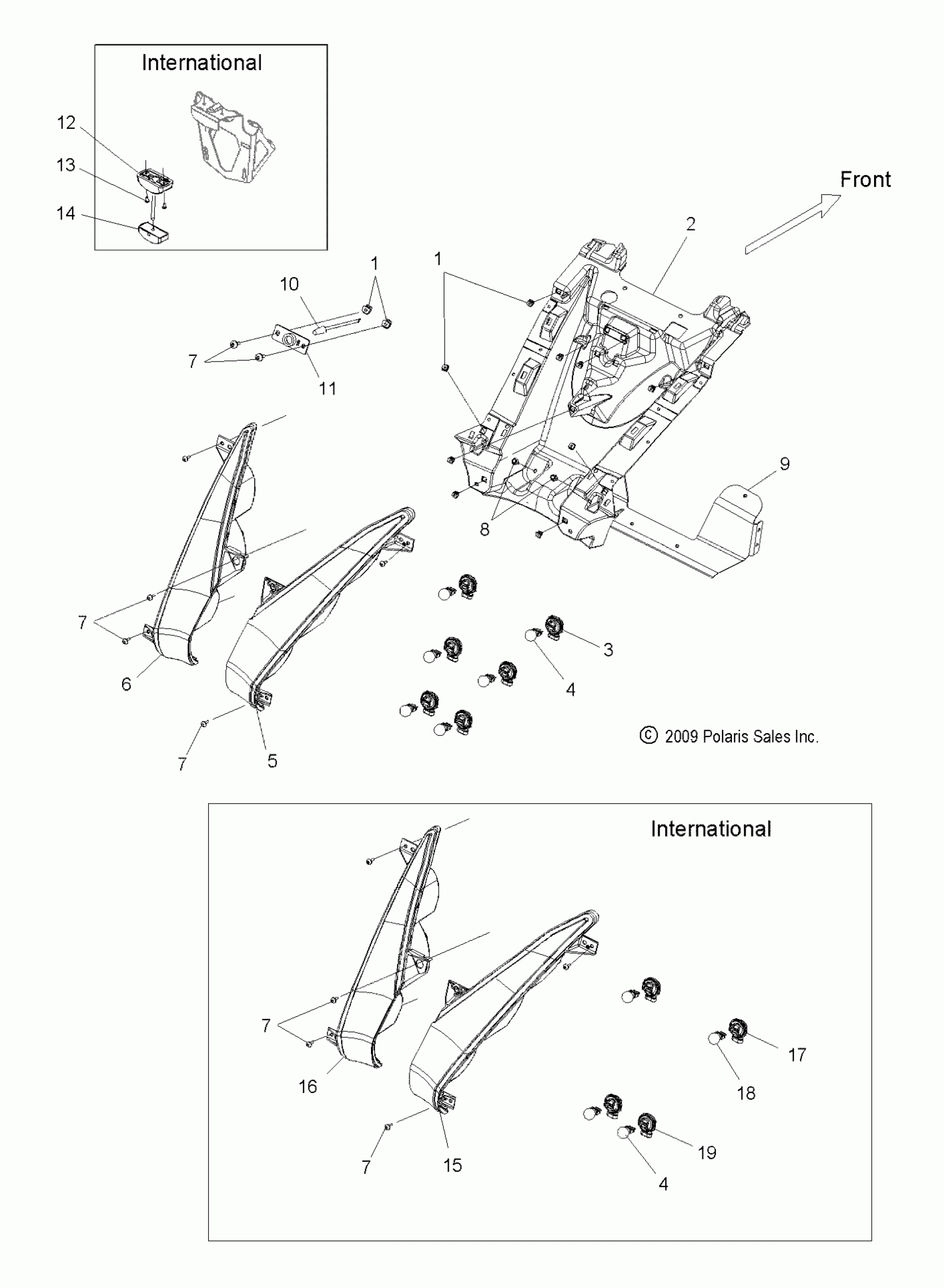
2
TUB, FENDER, REAR
5437132
Unavailable
4
BULB, TAIL/STOP, 27W [QTY. 2 FOR INTL]
4011064
Unavailable
4
BULB, TAIL/STOP, 27W [QTY. 2 FOR INTL]
4011064
Unavailable
5
ASM., TAIL/STOP/TURN, REAR, RH
2410669
Unavailable
6
ASM., TAIL/STOP/TURN, REAR, LH
2410621
Unavailable
10
BULB, W5W
4011741
Unavailable
10
LIGHT, LICENSE PLATE
2410841
Unavailable
11
BRACKET, LICENSE PLATE LIGHT
5250281
Unavailable
12
HOUSING, LED MOUNT [INTL]
5437972
Unavailable
13
SCREW [INTL]
7517486
Unavailable
14
LIGHT, LICENSE PLATE, LED [INTL]
2411261
Unavailable
15
SIGNAL, REAR, STOP/TAIL/TURN, RH [INTL]
2411201
Unavailable
16
SIGNAL, REAR, STOP/TAIL/TURN, LH [INTL]
2411200
Unavailable
17
SOCKET, ECE, TAIL [INTL]
4012434
Unavailable
18
BULB, ECE, AMBER, 27/7W [INTL]
4012433
Unavailable
19
SOCKET, BULB [INTL]
4010767
Unavailable
