- Partiron
- OEM Parts
- Polaris
- Motorcycle
- VIC
- 2010
- VISION TOUR PREMIUM/NESS/8 BALL ALL OPTIONS - V10SD36/SC36/VB36
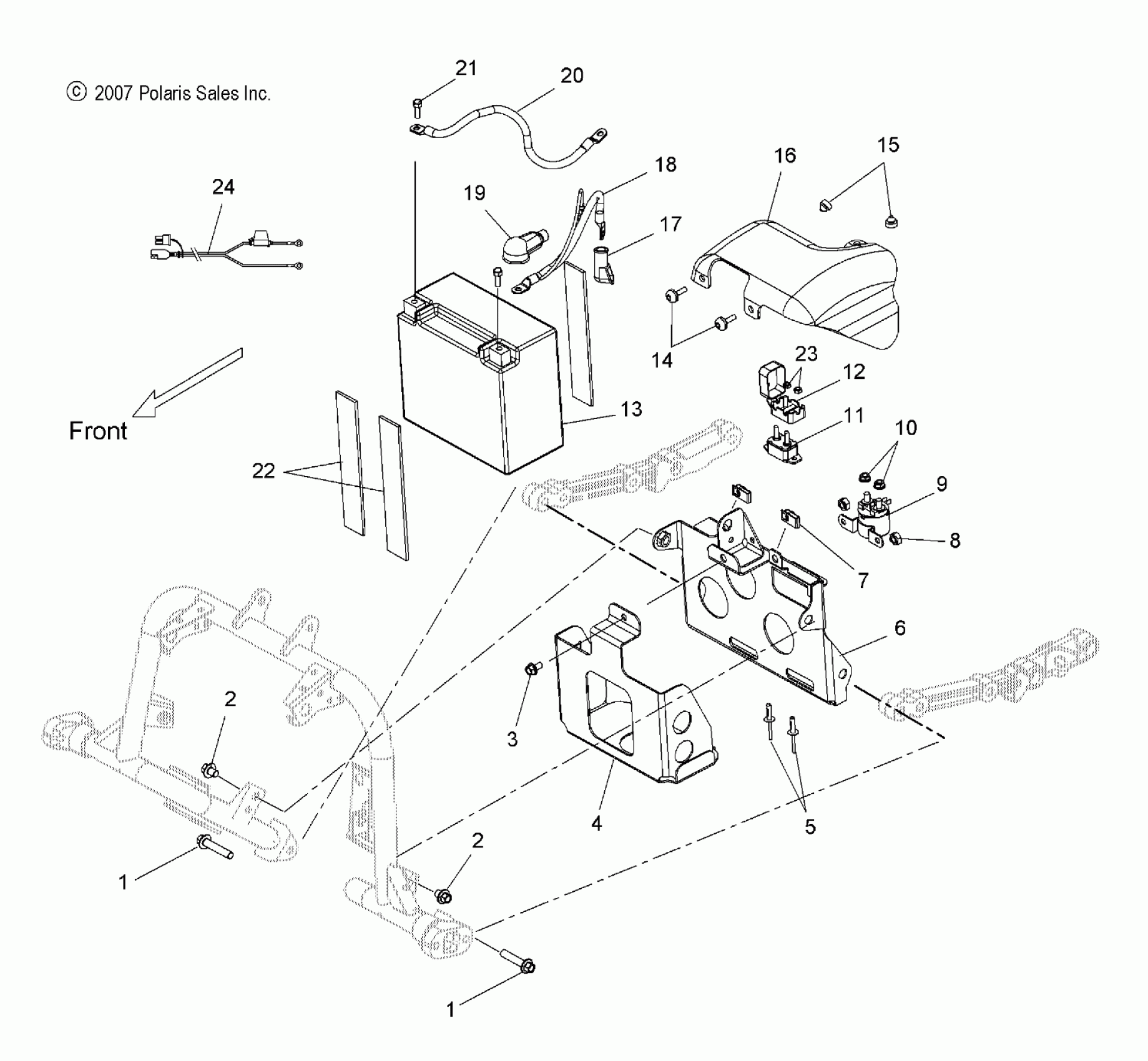
ELECTRICAL, BATTERY - V10SD36/SC36/VB36 ALL OPTIONS (49VICBATTERYBOX08VN)
Polaris VISION TOUR PREMIUM/NESS/8 BALL ALL OPTIONS - V10SD36/SC36/VB36 ELECTRICAL, BATTERY - V10SD36/SC36/VB36 ALL OPTIONS (49VICBATTERYBOX08VN) Diagram
#
Description
Price
4
Tray, Battery, Black
1015242-067
Unavailable
7
NUT, CLIP, U-SPEED
7547386
Unavailable
9
SOLENOID, STARTER
4012001
Unavailable
11
BREAKER, CIRCUIT
2410332
Unavailable
13
BATTERY-YTX20HL,18AH,310CAA,V3
4081841
Unavailable
15
BUMPER, GROMMET
5411323
Unavailable
16
COVER, BATTERY
5437670
Unavailable
18
CABLE, BATTERY, POSITIVE [INCL. 17,19]
2410689
Unavailable
20
CABLE, BATTERY, NEGATIVE
2410733
Unavailable
23
NUT, KEPS
7547641
Unavailable
