- Partiron
- OEM Parts
- Polaris
- Motorcycle
- VIC
- 2016
- VISION ALL OPTIONS (R03) - V16SW36
ELECTRICAL, IGNITION SYSTEM - V16SW36 ALL OPTIONS (49VICELECT13VN)
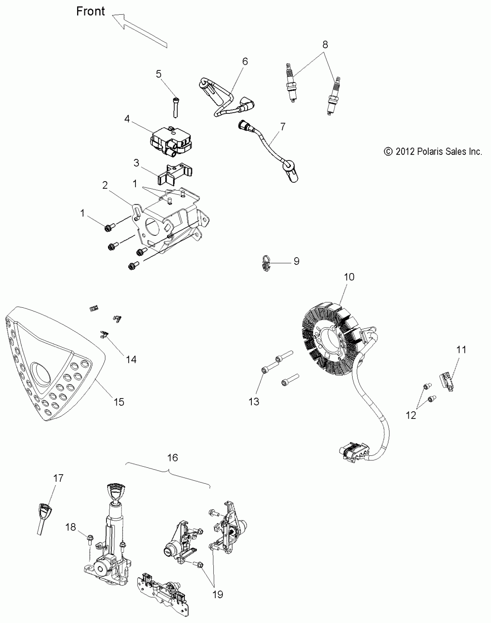
Polaris VISION ALL OPTIONS (R03) - V16SW36 ELECTRICAL, IGNITION SYSTEM - V16SW36 ALL OPTIONS (49VICELECT13VN) Diagram
#
Description
Price
2
BRACKET, IGNITION COIL
5255393
Unavailable
3
SPACER, IGNITION COIL
5510601
Unavailable
4
COIL-EFI
4010425
Unavailable
6
LEAD, SPARK PLUG [FRONT CYLINDER]
4014932
Unavailable
7
LEAD, SPARK PLUG [REAR CYLINDER]
4014933
Unavailable
8
PLUG, SPARK, DCPR6E
3070202
Unavailable
10
STATOR, CHARGING, 20 MAG
4012715
Unavailable
11
CLIP, STATOR WIRE
5251115
Unavailable
15
COVER, IGNITION/COIL
5245659
Unavailable
16
ASM., IGNITION SWITCH/LOCKS W/TRUNK
1015982
Unavailable
17
KEY, BLANK, NO BADGES
4012155
Unavailable
