Partiron

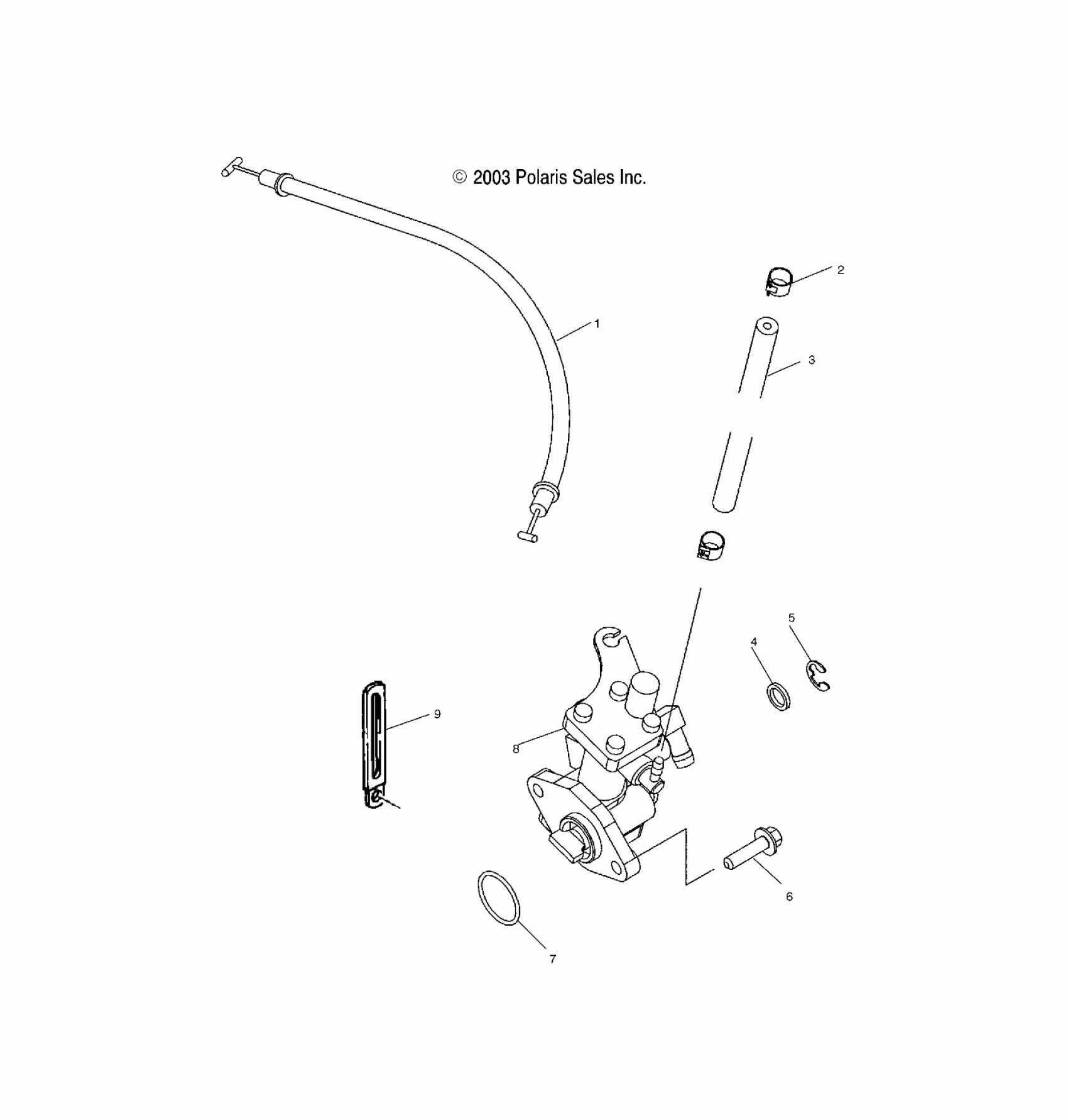
Polaris VIRAGE - W045197DA/IA OIL PUMP - W045197DA/IA (4990499049C07) Diagram

#

Description
Price

1

Cable, Oil Pump w/Thick Neck

7081022

Unavailable

2

Clamp, 7 mm

7080603

$1.59

3

Line, Oil

8450061-60

Unavailable

4

Washer, Nylon

7555944

$3.99

5

E-Ring, Retaining

7710427

Unavailable

6

Screw

7516605

Unavailable

7

O-Ring

5411293

Unavailable

8

Asm., Pump, Oil [Incl. 7]

2540073

Unavailable

9

Retainer

7080654

$18.32