- Partiron
- OEM Parts
- Polaris
- Watercraft
- PWC
- 2002
- VIRAGE - W025197D
CARBURETOR - W025197D/W025197I (4971297129C06)
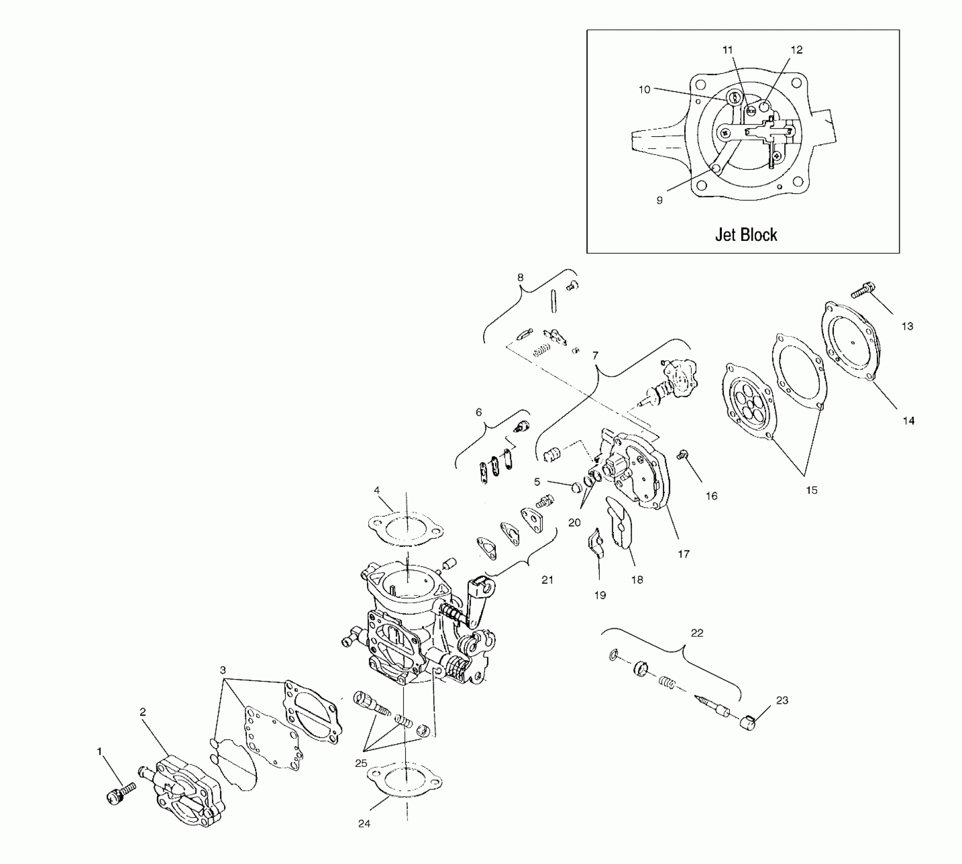
Polaris VIRAGE - W025197D CARBURETOR - W025197D/W025197I (4971297129C06) Diagram
#
Description
Price
-
Asm., Carburetor
1253368
Unavailable
1
Screw, Fuel Pump
3050136
Unavailable
2
Kit, Fuel Pump Body
2200687
Unavailable
3
Kit, Gasket, Fuel Pump
2200686
Unavailable
4
Gasket, Carburetor, Upper
5830062
Unavailable
5
Screen, Fuel Strainer
3050144
Unavailable
6
Kit, Check Valve Mid Range
2200685
Unavailable
7
Kit, Accelerator Pump
2201309
Unavailable
8
Kit, Needle Valve
2200733
Unavailable
9
Jet, Main, Keihin
3050117
Unavailable
10
Jet, Main, Keihin
3050189
Unavailable
11
Jet, Pilot, Keihin
3050125
Unavailable
12
Jet, Mid, Keihin
3050119
Unavailable
13
Screw, Jet Block Cover
3050135
Unavailable
14
Cover, Jet Block
3050139
Unavailable
15
Kit, Diaphragm, Jet Block
2200730
Unavailable
16
Screw, Jet Block
3050137
Unavailable
17
Block, Jet
3050282
Unavailable
18
O-Ring, Jet Block
3050147
Unavailable
19
Collar
3050138
Unavailable
20
O-Ring, Valve Seat
3050148
Unavailable
21
Kit, Check Valve
2200688
Unavailable
22
Kit, Idler Mixture Screw
2200689
Unavailable
23
Cap, Limiter
3050140
Unavailable
24
Gasket, Lower
5830043
Unavailable
25
Kit, Idle Stop Screw
2200731
Unavailable
