- Partiron
- OEM Parts
- Polaris
- Watercraft
- PWC
- 2001
- VIRAGE - W015197D
COOLING SYSTEM - W015197D (4964826482B009)
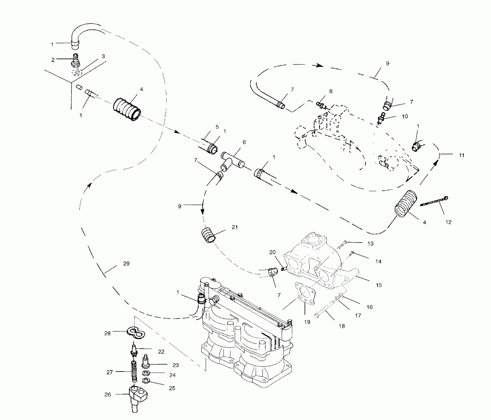
Polaris VIRAGE - W015197D COOLING SYSTEM - W015197D (4964826482B009) Diagram
#
Description
Price
2
FITTING-THRU HULL,WHITE
5431444-133
Unavailable
3
Gasket
5811317
Unavailable
4
CONDUIT,FLEX,1.250ID Substituted by 5521287-132
5521287-63
Unavailable
4
CONDUIT,FLEX,1.250ID Substituted by 5521287-132
5521287-63
Unavailable
5
HOSE,PUMP OUTLET
5411049
Unavailable
6
FITTING,TEE
5431784
Unavailable
8
FITTING,SCREEN,EXH.
7052128
Unavailable
9
HOSE,WATER
8450054-100
Unavailable
9
HOSE,WATER
8450054-100
Unavailable
10
FITTING,INJECTOR,EXH.
5020747
Unavailable
11
HOSE,EXH.INLET
5411050
Unavailable
13
Bolt
7516727
Unavailable
14
BOLT, S.S,(10)
7516725
Unavailable
15
MANIFOLD,EXH.
1260694
Unavailable
16
WASHER, FLAT, S.S.(10)
7555856
Unavailable
17
WASHER, LOCK,SS.(10)
7552611
Unavailable
18
BOLT, S.S.(10)
7517004
Unavailable
19
GASKET,EXH.FLNG
5811045
Unavailable
20
FITTING,DRAIN,EXH.MANIFOLD
5020746
Unavailable
21
CONDUIT,FLEX(.75"ID) Substituted by 5521398-96
5521398-13
Unavailable
22
VALVE,POP-OFF
5432799
Unavailable
23
THERMOSTAT, (143 F.)
7051008
Unavailable
24
GASKET-THERMOSTAT,60D
5412014
Unavailable
25
WASHER-7/8X11/8X1/8,AL,ANODIZE
7556174
Unavailable
26
COVER-THERMOSTAT,PWC,HF
5631136
Unavailable
27
Spring, Compression
7041310
Unavailable
28
SEAL,O-RING/THERMO/FITTING
5410860
Unavailable
29
HOSE,WATER OUT,3/4 ID.
5411479
Unavailable
