- Partiron
- OEM Parts
- Polaris
- Watercraft
- PWC
- 2001
- VIRAGE - W015197D
CARBURETOR - W015197D (4964826482C007)
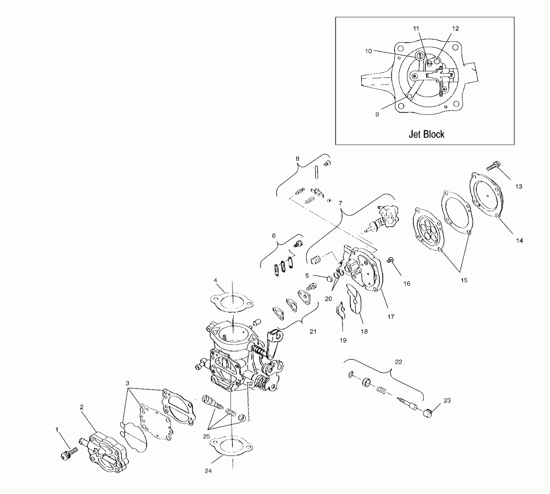
Polaris VIRAGE - W015197D CARBURETOR - W015197D (4964826482C007) Diagram
#
Description
Price
-
ASM-CARB,700 PWC,KEIHIN
1253368
Unavailable
1
SCREW, FUELPUMP
3050136
Unavailable
2
KIT,FUELPUMP BODY(KEIHIN)
2200687
Unavailable
3
KIT,GASKET(FUELPUMP)
2200686
Unavailable
4
GASKET,CARB.,UPPER
5830062
Unavailable
5
SCREEN,FUELSTRAINER
3050144
Unavailable
6
KIT,CHECKVALVE,MID-RANGE,KHN
2200685
Unavailable
7
PUMP,ACCEL.KIT
2201309
Unavailable
8
KIT,NDLE VLVE,97DOM,NOT SL 1050
2200733
Unavailable
9
JET-MAIN,120 KEIHIN
3050117
Unavailable
10
JET-MAIN,148 KEIHIN
3050189
Unavailable
11
JET-PILOT,58 KEIHIN
3050125
Unavailable
12
JET-PILOT, 42 KEIHIN
3050119
Unavailable
13
SCREW,JET BLOCK COVER
3050135
Unavailable
14
COVER,JET BLOCK
3050139
Unavailable
15
KIT,DIAPHRAGM-JET BLOCK
2200730
Unavailable
16
Screw, Jet Block
3050137
Unavailable
17
BLOCK-JET,KEIHIN
3050282
Unavailable
18
O-Ring, Jet Block
3050147
Unavailable
19
Collar
3050138
Unavailable
20
O-RING,(VALVE SEAT)
3050148
Unavailable
21
KIT,CHECKVALVE,MAIN(KEIHIN)
2200688
Unavailable
22
KIT,IDLESCREW,(KEIHIN)
2200689
Unavailable
23
Cap, Limiter
3050140
Unavailable
24
GASKET,CARB.
5830043
Unavailable
25
KIT,IDLESTOP SCREW
2200731
Unavailable
