- Partiron
- OEM Parts
- Polaris
- Watercraft
- PWC
- 2000
- VIRAGE - W005197D
ENGINE MOUNTING - W005197D (4955815581B009)
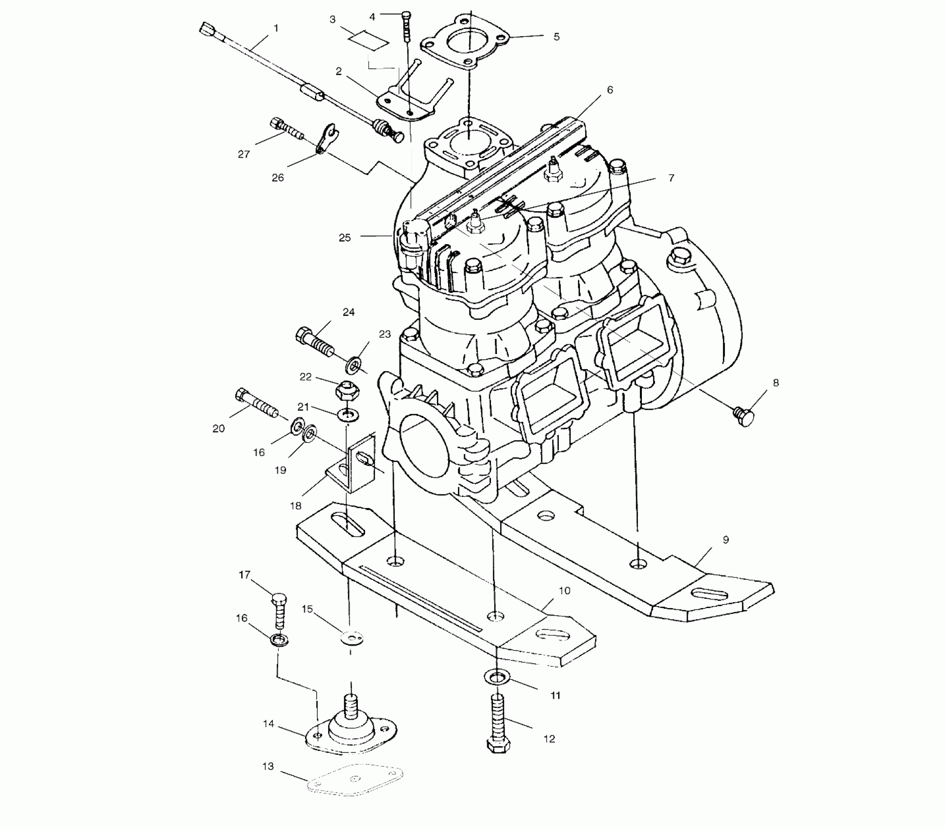
Polaris VIRAGE - W005197D ENGINE MOUNTING - W005197D (4955815581B009) Diagram
#
Description
Price
1
SWITCH,TEMP,W/CONNECTOR
2410187
Unavailable
2
GROUND,SPARKPLUG,2CYL
5242488
Unavailable
4
SCREW,SHOULDER,S.S.(10)
7515149
Unavailable
5
GASKET,EXH.PIPE
5830051
Unavailable
6
Decal - Warning (See Cylinder and Manifold Pg. C4, Ref. 1)
-------
Unavailable
7
Spark Plug, NGK BPR8ES (See Cylinder and Manifold Pg. C4, Ref. 5)
-------
Unavailable
8
PLUG,PIPE(10)
7051527
Unavailable
9
PLATE,F.MOUNT Substituted by 5631128
5630585
Unavailable
10
PLATE,R.MOUNT Substituted by 5631129
5630584
Unavailable
11
WASHER,LOCK,S.S.
7552609
Unavailable
12
SCREW, SS.
7517330
Unavailable
13
PLATE,REPAIR,GEN.FRT MNT
5244508
Unavailable
14
MOUNT-ENGINE,PWC Substituted by 3021208
3021103
Unavailable
15
SHIM,ENG.MT.(PWC)
5211727
Unavailable
16
WASHER, LOCK, S.S.(10)
7552610
Unavailable
16
WASHER, LOCK, S.S.(10)
7552610
Unavailable
17
SCREW(10)
7517627
Unavailable
18
BRKT,R.MUFFLER
1060142
Unavailable
19
WASHER, FLAT, S.S.,(10)
7555835
Unavailable
20
BOLT, S.S.(10)
7515357
Unavailable
21
WASHER, FLAT, S.S.(10)
7555848
Unavailable
22
NUT, NYLOK, S.S.(10) Substituted by 7547001
7542725
Unavailable
23
WASHER,LOCK,SS.
7556055
Unavailable
25
SHORT BLK,KIT,W70-SCSP [No Longer Available] The Short Block assembly contains a crankcase assembly, cylinder, and cylinder head assembly.
2201620
Unavailable
26
CLIP,RETAIN,TEMP.SW.
5240876
Unavailable
