- Partiron
- OEM Parts
- Polaris
- Watercraft
- PWC
- 2002
- VIRAGE TXI - W025198C
THROTTLE BODY - W025198C/D/I (4971357135C04)
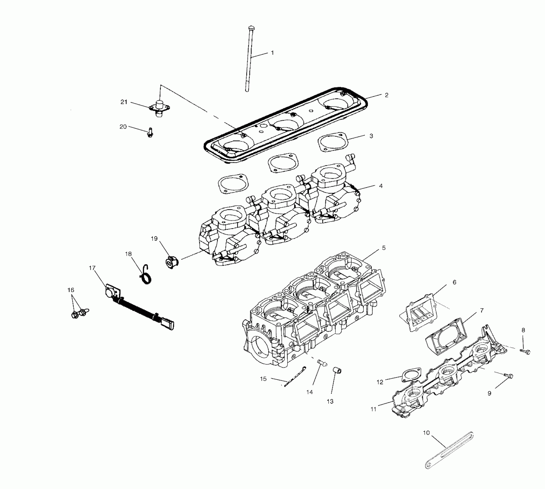
Polaris VIRAGE TXI - W025198C THROTTLE BODY - W025198C/D/I (4971357135C04) Diagram
#
Description
Price
2
Base, Intake Silencer
5630907
Unavailable
3
Gasket, Carburetor, Upper
5830062
Unavailable
4
Asm., Throttle Body
1253429
Unavailable
5
KIT, CRANKCASE [See Crankcase Pg. C2, Ref. 1]
-------
Unavailable
6
Block, Triple Reed
1201595
Unavailable
7
Stuffer, Reed Block
5432162
Unavailable
8
Screw
7516807
Unavailable
9
Screw
7516814
Unavailable
11
Adaptor, Carburetor
5630582-329
Unavailable
12
Gasket, Carburetor
5830043
Unavailable
13
Cap, Pulse Fitting
5411736
Unavailable
15
Cable Tie
7080483
Unavailable
16
Screw
7516606
Unavailable
17
Sensor, Throttle Position
1202208
Unavailable
18
Spring
7042067
Unavailable
19
Coupler
5434096
Unavailable
21
Sensor, Air Temperature
2410299
Unavailable
