- Partiron
- OEM Parts
- Polaris
- Watercraft
- PWC
- 2002
- VIRAGE TX - W025199D
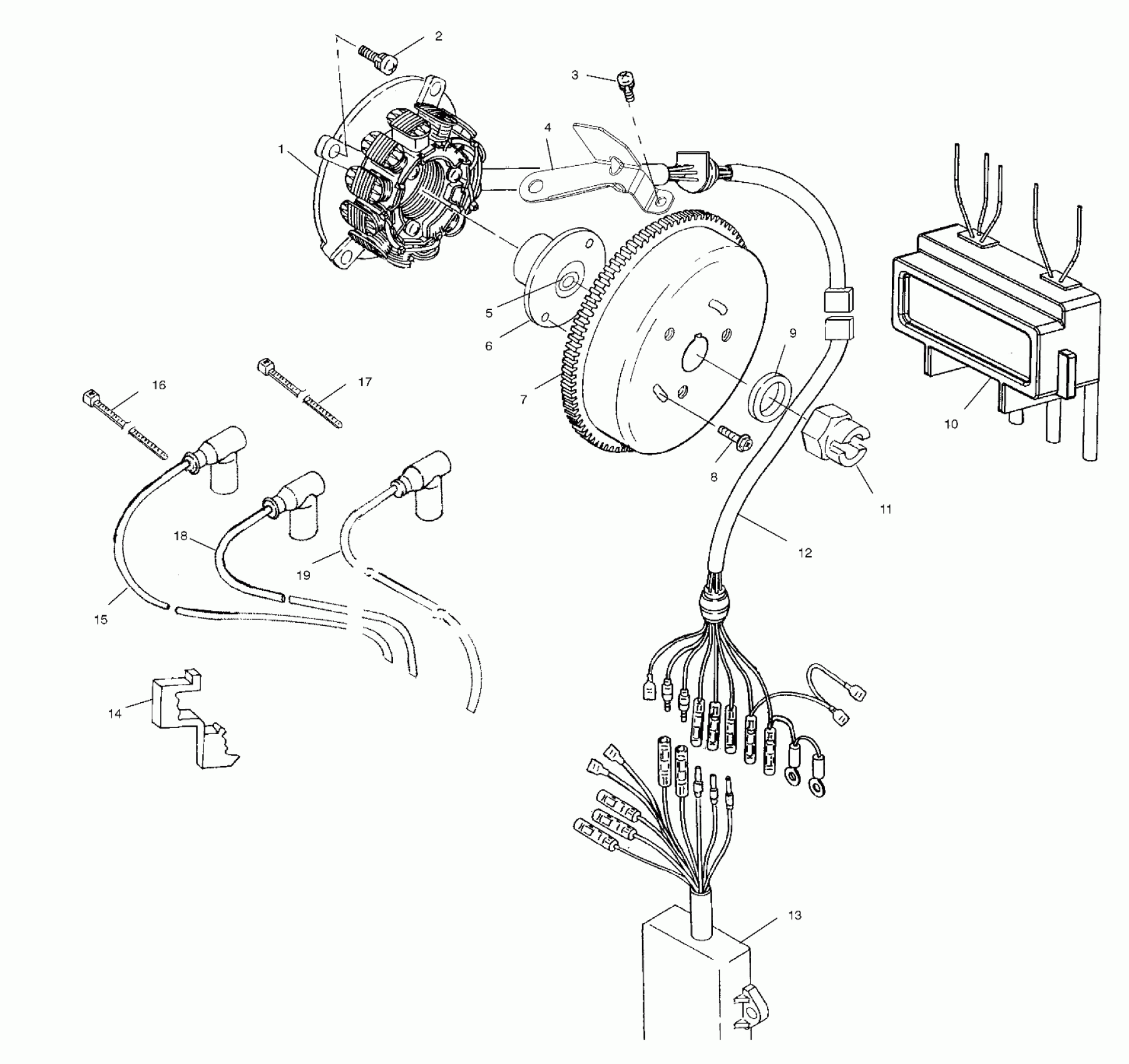
MAGNETO - W025199D/W025199I (4971327132C11)
Polaris VIRAGE TX - W025199D MAGNETO - W025199D/W025199I (4971327132C11) Diagram
#
Description
Price
1
Stator
4010170
Unavailable
4
Clamp
5243231
Unavailable
5
O-Ring
5411320
Unavailable
6
Holder, Magnet
5432282
Unavailable
7
Asm., Flywheel [Incl. 5,6,8]
4010569
Unavailable
8
Kit, Timing Screws
2201228
Unavailable
10
Coil, Ignition, Triple
4010342
Unavailable
11
Nut
7546909
Unavailable
12
Harness, 9 Wire Stator
2460717
Unavailable
13
CDI, Programmed
4010567
Unavailable
15
Wire, Spark Plug
4010173-71
Unavailable
17
Cable Tie, 4"
7080483
Unavailable
18
Wire, Spark Plug
4010173-56
Unavailable
19
Wire, Spark Plug
4010173-42
Unavailable
