- Partiron
- OEM Parts
- Polaris
- Watercraft
- PWC
- 2000
- VIRAGE TX - W005199D
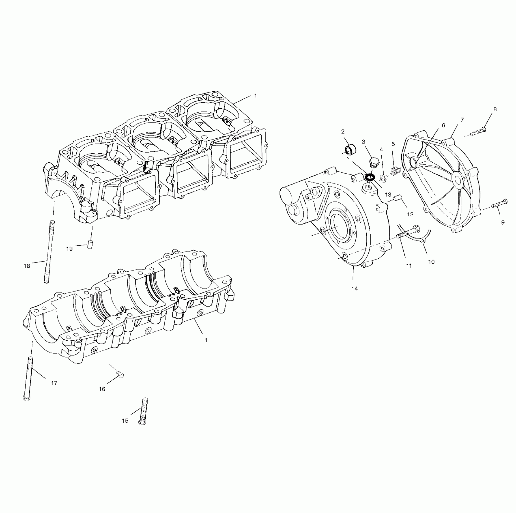
CRANKCASE - W005199I (4955825582C005)
Polaris VIRAGE TX - W005199D CRANKCASE - W005199I (4955825582C005) Diagram
#
Description
Price
1
CRANKCASE 1200 PWC,KIT (Incl. 15-19)
2201562
Unavailable
1
CRANKCASE 1200 PWC,KIT (Incl. 15-19)
2201562
Unavailable
2
Bushing
3569805
Unavailable
3
PLUG-TIMING HOLE,3/4X16,NYLON
5433130
Unavailable
4
BUSHING,PLASTIC
3574214
Unavailable
5
Spring
7041457
Unavailable
6
Bushing
3569806
Unavailable
7
COVER,FLYWHEEL ASM.
1201923
Unavailable
8
Screw
7517676
Unavailable
9
BOLT(10)
7516806
Unavailable
10
GASKET,FLYWHEEL COVER
5811550
Unavailable
11
BOLT(10)
7516723
Unavailable
14
FLYWHEEL,HOUSING (Incl. 2,12)
1201938
Unavailable
15
SCREW Substituted by 7516720
7517628
Unavailable
17
BOLT, S.S
7516913
Unavailable
18
STUD,CYL.FLANGE,152MM,SPS
5131677
Unavailable
