- Partiron
- OEM Parts
- Polaris
- Watercraft
- PWC
- 2000
- VIRAGE TX - W005199D
COOLING SYSTEM - W005199D (4955825582B011)
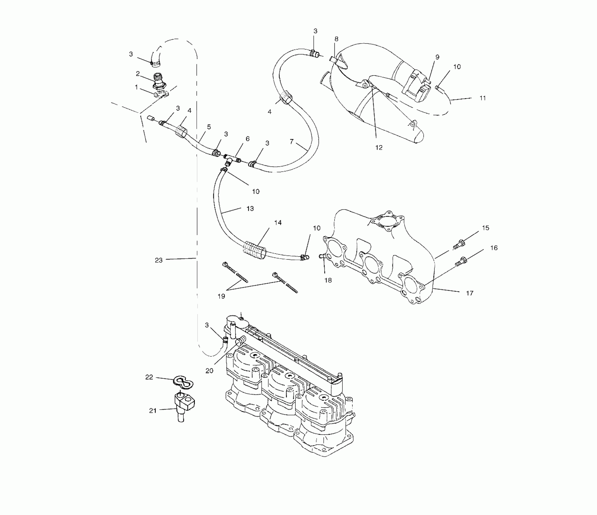
Polaris VIRAGE TX - W005199D COOLING SYSTEM - W005199D (4955825582B011) Diagram
#
Description
Price
1
Gasket
5811317
Unavailable
2
FITTING,THRU HULL,WATER Substituted by 5431444-133
5431444
Unavailable
4
CONDUIT,FLEX,1.250ID
5521287-45
Unavailable
4
CONDUIT,FLEX,1.250ID
5521287-45
Unavailable
5
HOSE,WATER INLET
5411335
Unavailable
6
FITTING,TEE
5431784
Unavailable
7
HOSE,WATER-IN EXH PIPE 1050
5411793
Unavailable
8
Fitting, Inlet, Water (See Exhaust System Pg. B8, Ref. 10)
-------
Unavailable
9
Fitting, Exhaust Screen (See Exhaust System Pg. B8, Ref. 6)
-------
Unavailable
11
HOSE,STINGER
5411153
Unavailable
12
FITTING,INJECTOR,EXH.
5020747
Unavailable
13
HOSE,STINGER,FORMED
5410897
Unavailable
14
CONDUIT,FLEX(.75"ID) Substituted by 5521398-96
5521398-42
Unavailable
15
Bolt
7516727
Unavailable
16
BOLT, S.S,(10)
7516725
Unavailable
17
MANIFOLD ASM,EXH,(TRIPLE)
1260809
Unavailable
18
FITTING,DRAIN,EXH.MANIFOLD
5020746
Unavailable
20
PLUG,PIPE(10)
7051527
Unavailable
21
COVER,THERMOSTAT Substituted by 5631098
5131008
Unavailable
22
SEAL,O-RING/THERMO/FITTING
5410860
Unavailable
23
HOSE,WATER OUT,3/4 ID
5411310
Unavailable
