- Partiron
- OEM Parts
- Polaris
- Watercraft
- PWC
- 2004
- VIRAGE I - W045101CA/W045101IA
ENGINE MOUNTING - W045101CA/W045101IA (4990479047B06)
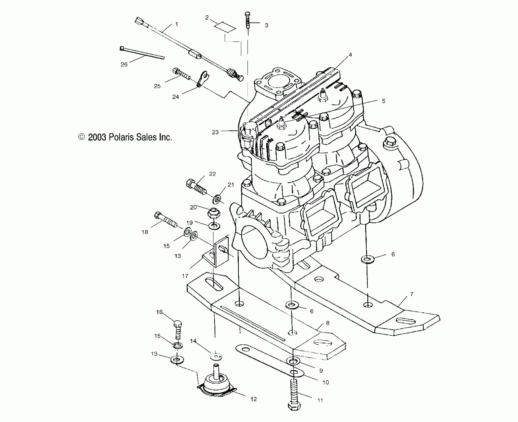
Polaris VIRAGE I - W045101CA/W045101IA ENGINE MOUNTING - W045101CA/W045101IA (4990479047B06) Diagram
#
Description
Price
1
Sensor, Water Temperature, DFI
2410125
Unavailable
3
Screw
7515149
Unavailable
4
DECAL, WARNING [SEE CYLINDER & MANIFOLD PG. C3, REF. 3]
-------
Unavailable
5
SPARK PLUG, NGK PZFR6H [SEE CYLINDER & MANIFOLD PG. C3, REF. 25]
-------
Unavailable
6
Washer, Flat
7556184
Unavailable
6
Washer, Flat
7556184
Unavailable
7
Plate, Front Mount, w/Washer
5631166-329
Unavailable
8
Plate, Rear Mount, w/Washer
5631167-329
Unavailable
9
Washer, Flat
7556170
Unavailable
10
Lock, Mount Plate
5245460
Unavailable
11
Screw
7517330
Unavailable
12
Mount, Engine
3021254
Unavailable
13
Washer, Flat
7555835
Unavailable
13
Washer, Flat
7555835
Unavailable
14
Shim, Engine Mount
5211727
Unavailable
15
Washer, Lock
7552610
Unavailable
15
Washer, Lock
7552610
Unavailable
16
Screw
7517627
Unavailable
17
Bracket, Rear Muffler
1060142
Unavailable
18
Screw
7515357
Unavailable
19
Washer, Flat
7555848
Unavailable
20
Nut, Nylok
7542725
Unavailable
21
Washer, Lock
7556055
Unavailable
23
Kit, Short Block NOTE: The Short Block assembly contains a crankcase assembly, cylinder, and cylinder head assembly.
2201843
Unavailable
24
Clip, Retainer, Temperature Switch
5244176
Unavailable
