- Partiron
- OEM Parts
- Honda
- MOTORCYCLE
- 2015
- VFR800FAC (15) INTERCEPTOR, JPN, VIN# JH2RC791-FK100001 TO JH2RC791-FK199999
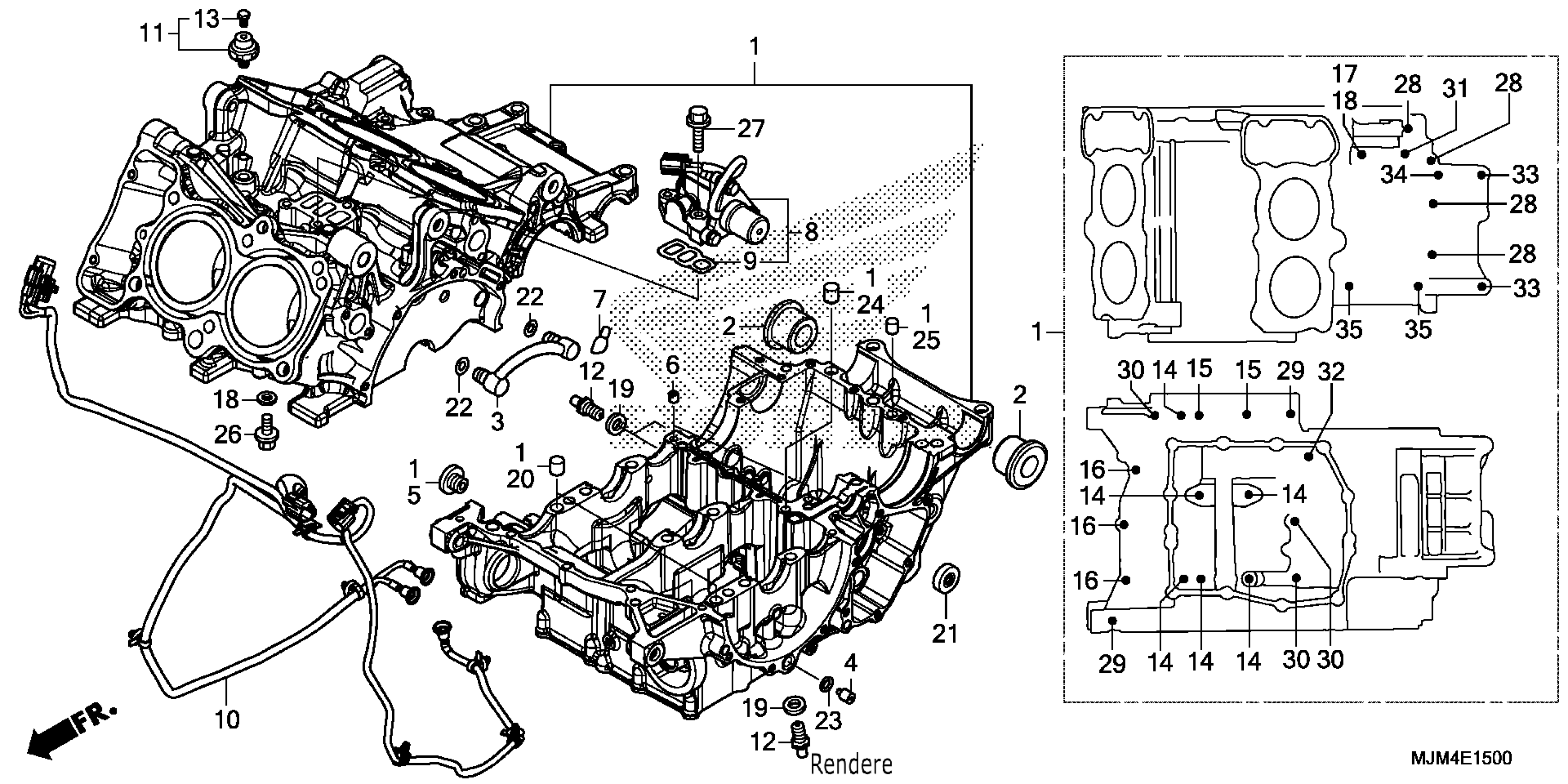
CRANKCASE
Honda VFR800FAC (15) INTERCEPTOR, JPN, VIN# JH2RC791-FK100001 TO JH2RC791-FK199999 CRANKCASE Diagram
#
Description
Price
