- Partiron
- OEM Parts
- Honda
- MOTORCYCLE
- 2005
- VFR800AAC (05) INTERCEPTOR ABS, JPN, VIN# JH2RC464-5M700001
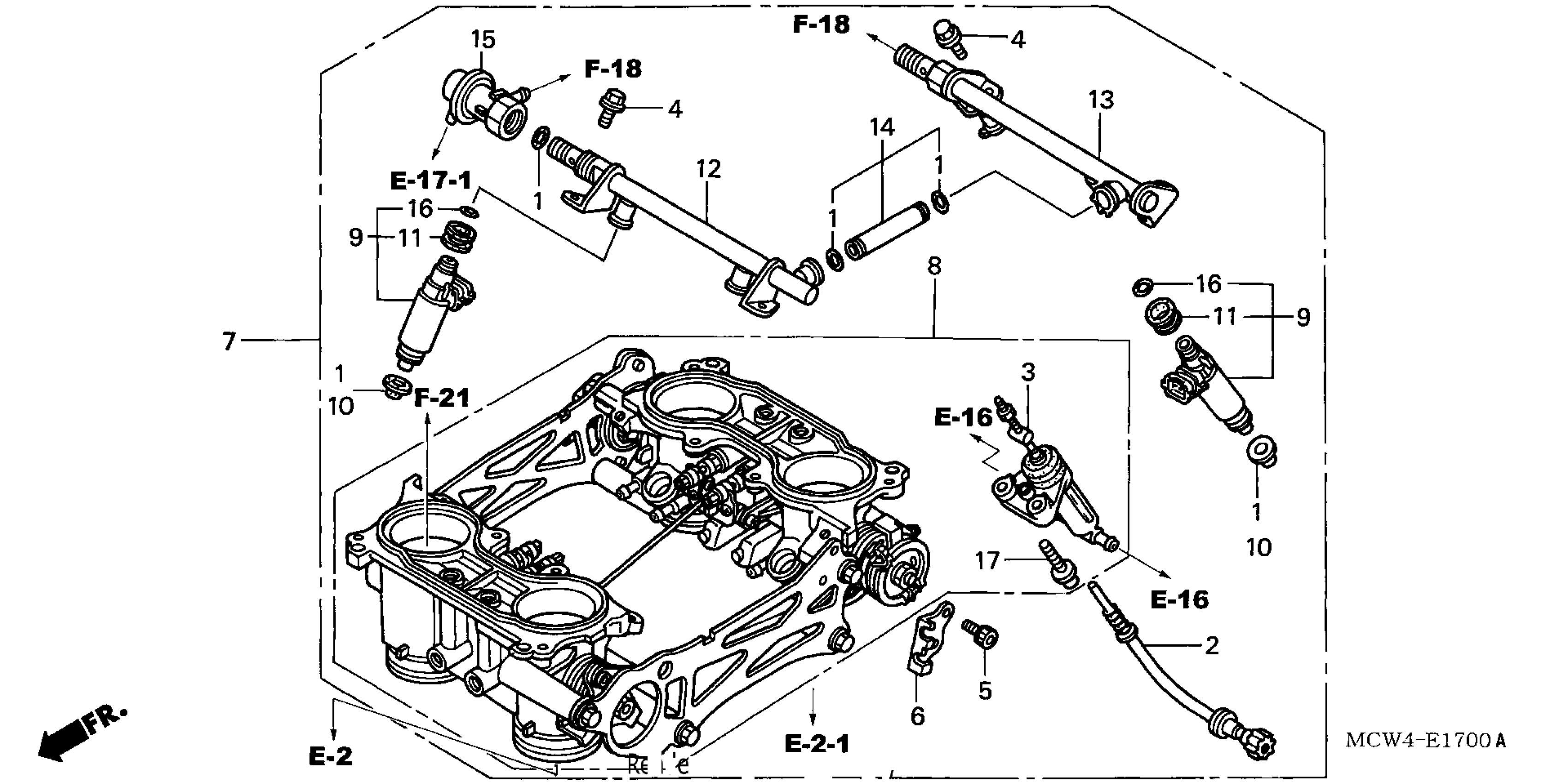
THROTTLE BODY (ASSY.)
Honda VFR800AAC (05) INTERCEPTOR ABS, JPN, VIN# JH2RC464-5M700001 THROTTLE BODY (ASSY.) Diagram
#
Description
Price
7
BODY ASSY., THROTTLE (GQ33B A)
16400-MCW-L03
Unavailable
