- Partiron
- OEM Parts
- Honda
- MOTORCYCLE
- 1982
- VF750SA (82) V45 SABRE, JPN, VIN# JH2RC070-CM000036 TO JH2RC070-CM012083
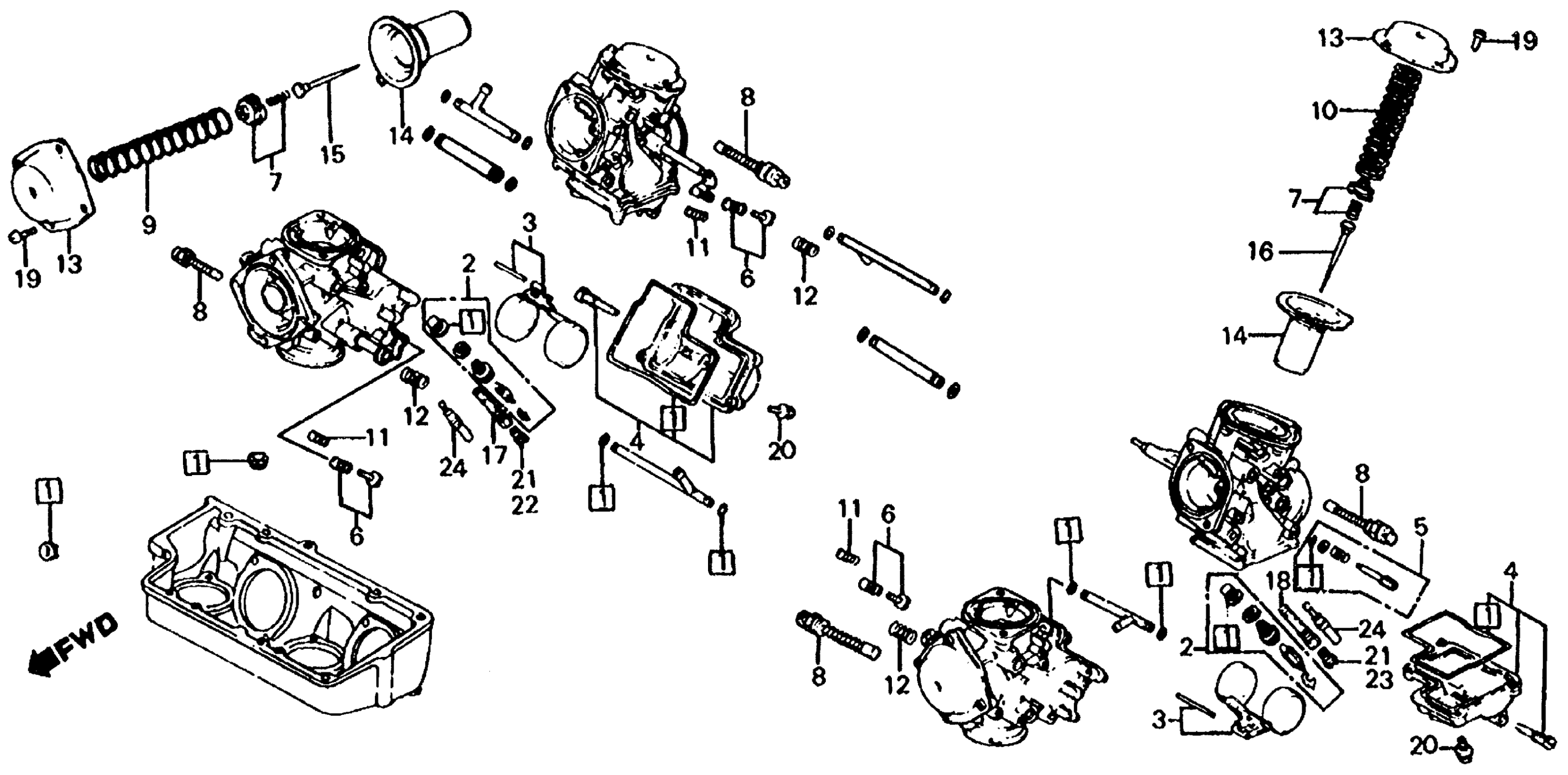
CARBURETOR (COMPONENT PARTS)
Honda VF750SA (82) V45 SABRE, JPN, VIN# JH2RC070-CM000036 TO JH2RC070-CM012083 CARBURETOR (COMPONENT PARTS) Diagram
#
Description
Price
5
SCREW SET A This part replaces 16016-MB0-671.
16016-ME3-003
Unavailable
5
SCREW SET A
16016-ME3-003
Unavailable
6
SCREW SET C
16029-MB0-671
Unavailable
9
SPRING, FR. VACUUM PISTON
16050-MB0-671
Unavailable
10
SPRING, RR. VACUUM PISTON
16051-MB0-671
Unavailable
14
PISTON, VACUUM (NOT AVAILABLE)
16111-MB0-671
Unavailable
15
NEEDLE, FR. JET (NOT AVAILABLE)
16131-MB0-671
Unavailable
16
NEEDLE, RR. JET (NOT AVAILABLE)
16151-MB0-671
Unavailable
17
HOLDER, FR. NEEDLE JET (NOT AVAILABLE)
16165-MB0-671
Unavailable
