- Partiron
- OEM Parts
- Honda
- MOTORCYCLE
- 1985
- VF700FA (85) INTERCEPTOR, JPN, VIN# JH2RC230-FM100003 TO JH2RC230-FM104561
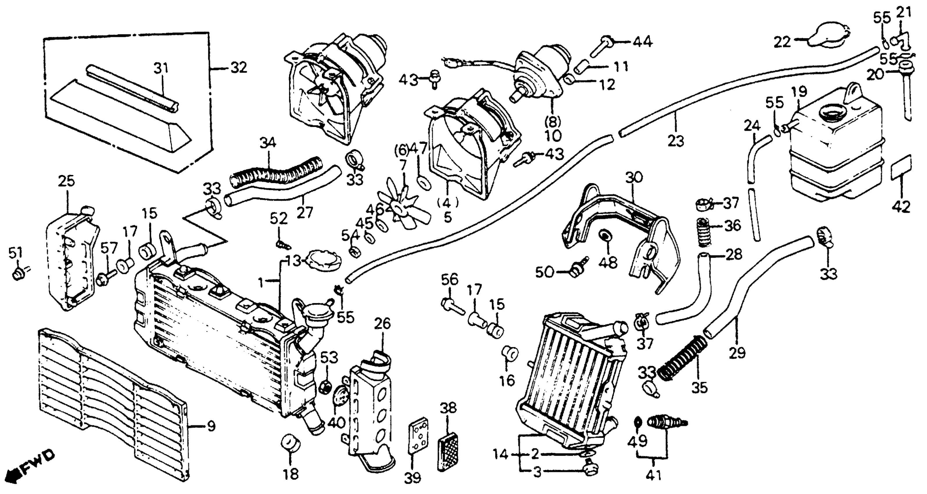
RADIATOR
Honda VF700FA (85) INTERCEPTOR, JPN, VIN# JH2RC230-FM100003 TO JH2RC230-FM104561 RADIATOR Diagram
#
1
RADIATOR (A) (NOT AVAILABLE)
19010-MB2-003
Unavailable
2
GASKET, DRAIN This part replaces 19012-PA0-003.
19012-ZB5-003
Unavailable
2
GASKET, DRAIN
19012-ZB5-003
Unavailable
3
VALVE, DRAIN
19013-415-004
Unavailable
4
SHROUD, R.
19015-MB2-003
Unavailable
5
SHROUD, R. This part replaces 19016-MB2-003.
19015-MB2-003
Unavailable
6
FAN, COOLING
19025-KE8-000
Unavailable
7
FAN, COOLING (DENSO)
19025-MB2-003
Unavailable
8
MOTOR ASSY., FAN (DENSO) (NOT AVAILABLE)
19030-MB2-003
Unavailable
9
GRILLE, RADIATOR (NOT AVAILABLE)
19032-MB2-000
Unavailable
10
MOTOR ASSY., FAN (DENSO)
19035-MB2-003
Unavailable
11
COLLAR (DENSO)
N949194-0040
Unavailable
11
COLLAR (DENSO) This part replaces 19040-611-003.
N949194-0040
Unavailable
14
RADIATOR (NOT AVAILABLE)
19050-MB2-901
Unavailable
19
TANK, RESERVE (NOT AVAILABLE)
19101-MB2-000
Unavailable
20
TUBE, LEVEL This part replaces 19102-463-000.
19205-MF5-010
Unavailable
20
TUBE, LEVEL This part replaces 19205-MF5-000.
19205-MF5-010
Unavailable
20
TUBE, LEVEL
19205-MF5-010
Unavailable
21
JOINT, TUBE
19103-463-000
Unavailable
23
TUBE, OVERFLOW This part replaces 19107-MB0-000.
19109-KM3-405
Unavailable
23
TUBE, OVERFLOW This part replaces 19109-KM3-010.
19109-KM3-405
Unavailable
23
TUBE, OVERFLOW
19109-KM3-405
Unavailable
24
TUBE, OVERFLOW
19107-MB2-010
Unavailable
25
COVER, R. RADIATOR
19110-MB2-000
Unavailable
26
COVER, L. RADIATOR
19111-MB2-000
Unavailable
27
HOSE A, RADIATOR (NOT AVAILABLE)
19115-MB2-000
Unavailable
28
HOSE B, RADIATOR (NOT AVAILABLE)
19116-MB2-000
Unavailable
29
HOSE, RADIATOR (C) (NOT AVAILABLE)
19117-MB2-000
Unavailable
30
STAY, RADIATOR (LOWER)
19118-MB2-000
Unavailable
31
RUBBER, RADIATOR COVER (UPPER)
19126-MB2-000
Unavailable
32
COVER ASSY., RADIATOR (UPPER)
19130-MB2-000
Unavailable
33
CLAMP, WATER HOSE
50228-MB0-000
Unavailable
34
PROTECTOR, RADIATOR HOSE A (NOT AVAILABLE)
19510-MB2-000
Unavailable
35
PROTECTOR, RADIATOR HOSE B
19511-MB2-000
Unavailable
36
PROTECTOR, RADIATOR HOSE C
19512-MB2-000
Unavailable
37
CLAMP B, WATER HOSE
19513-MB2-003
Unavailable
39
BASE, REFLEX REFLECTOR
33752-MB2-670
Unavailable
40
BRACKET, REFLEX REFLECTOR (NOT AVAILABLE)
33753-MB2-670
Unavailable
42
LABEL, RESERVE TANK
87507-MB4-670
Unavailable
43
SCREW-WASHER (4x18) (DENSO) (NOT AVAILABLE)
90041-679-003
Unavailable
44
BOLT-WASHER (6x10) (DENSO) (NOT AVAILABLE)
90042-679-003
Unavailable
48
WASHER (6MM)
90501-MA6-000
Unavailable
