- Partiron
- OEM Parts
- Honda
- MOTORCYCLE
- 1987
- VF700CA (87) MAGNA, USA, VIN# 1HFRC210-HA305001 TO 1HFRC210-HA310415
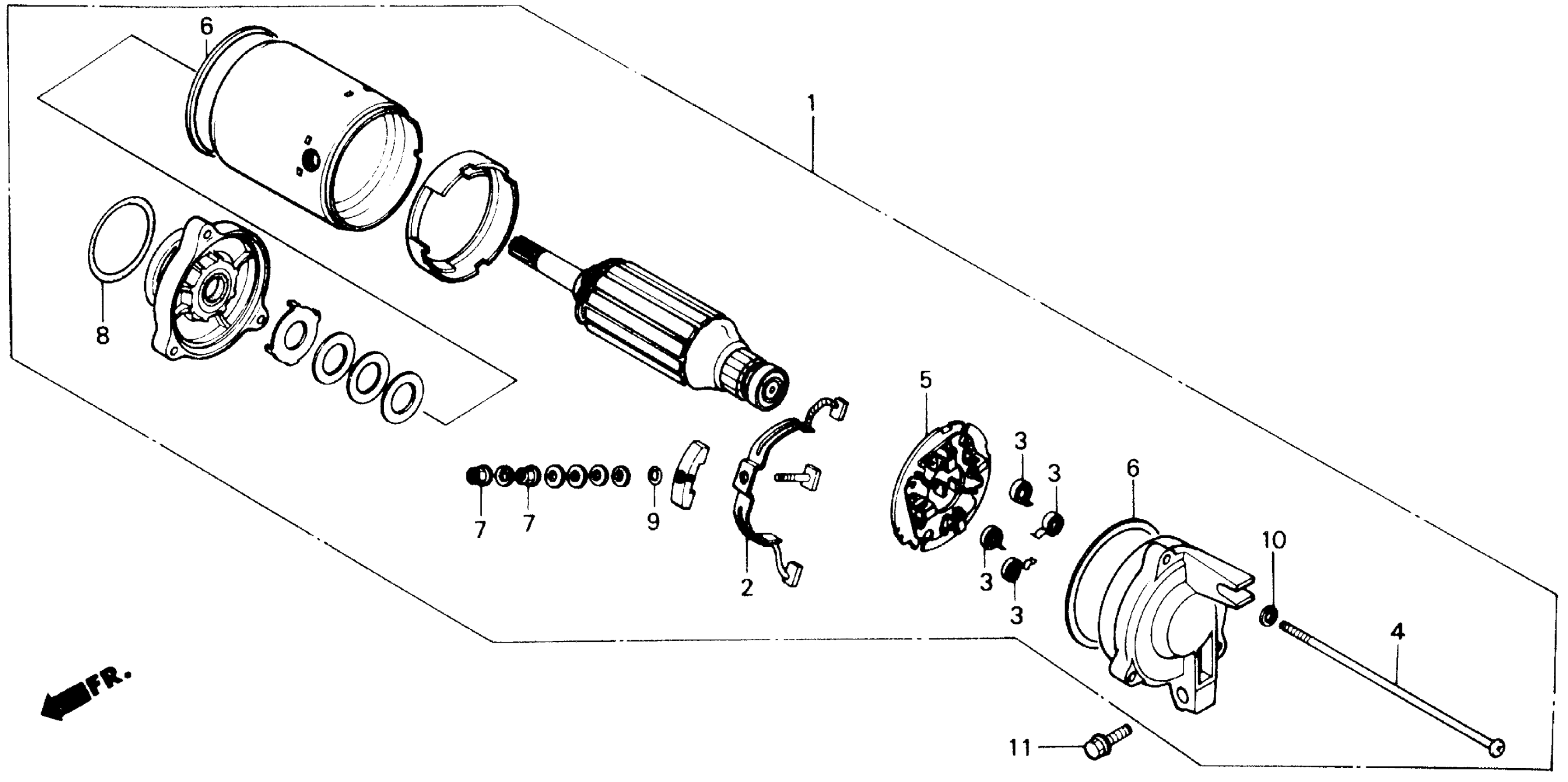
STARTER MOTOR
Honda VF700CA (87) MAGNA, USA, VIN# 1HFRC210-HA305001 TO 1HFRC210-HA310415 STARTER MOTOR Diagram
#
Description
Price
1
MOTOR ASSY., STARTER This part replaces 31200-MN0-008.
31200-MN0-018
Unavailable
1
MOTOR ASSY., STARTER
31200-MN0-018
Unavailable
2
TERMINAL SET, BRUSH (USE FOR MITSUBA STARTER MOTOR SM-8) This part replaces 31201-MG8-008.
31201-KG7-000
$31.18
4
SCREW, PAN (5X115)
31205-MB0-000
Unavailable
5
HOLDER SET, BRUSH (USE FOR MITSUBA STARTER MOTOR SM-8) This part replaces 31206-MG8-008.
31206-MM5-008
$19.33
