- Partiron
- OEM Parts
- Honda
- MOTORCYCLE
- 1984
- VF700CA (84) MAGNA, JPN, VIN# JH2RC210-EM000002 TO JH2RC210-EM014552
INSTRUMENTS 84
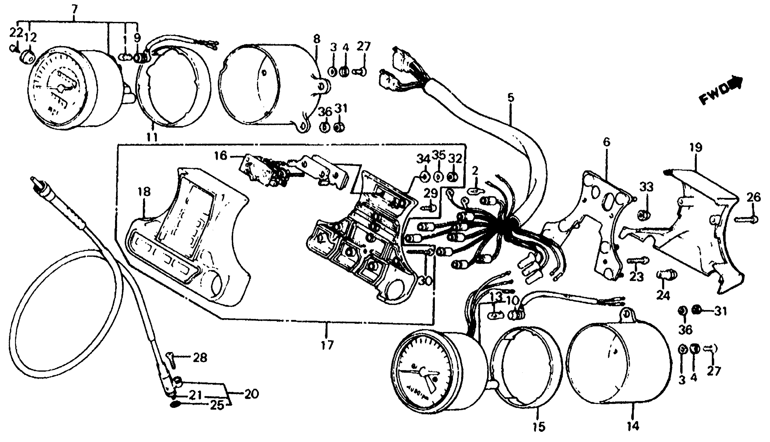
Honda VF700CA (84) MAGNA, JPN, VIN# JH2RC210-EM000002 TO JH2RC210-EM014552 INSTRUMENTS 84 Diagram
#
Description
Price
5
SOCKET, PILOT BOX
37105-MB1-871
Unavailable
6
BRACKET, INSTRUMENT
37120-MB1-008
Unavailable
7
SPEEDOMETER ASSY. (NOT AVAILABLE)
37200-MB1-871
Unavailable
8
COVER, SPEEDOMETER
37202-MB1-008
Unavailable
9
SOCKET (NOT AVAILABLE)
37203-MB1-000
Unavailable
10
SOCKET, ILLUMINATION
37203-MB1-870
Unavailable
11
RUBBER, SPEEDOMETER
37204-MB1-008
Unavailable
13
TACHOMETER ASSY.
37250-MB1-871
Unavailable
14
COVER, TACHOMETER
37252-MB1-008
Unavailable
15
RUBBER, TACHOMETER
37254-MB1-008
Unavailable
16
INSTRUMENT ASSY. This part replaces 37450-MB1-008.
37450-MB1-018
Unavailable
17
BOX ASSY., PILOT This part replaces 37600-MB1-871.
37600-MB1-872
Unavailable
17
BOX ASSY., PILOT
37600-MB1-872
Unavailable
18
CASE, PILOT (UPPER) (NOT AVAILABLE)
37610-MB1-871
Unavailable
19
COVER, INSTRUMENT (NOT AVAILABLE)
37618-MB1-008
Unavailable
20
CABLE ASSY., SPEEDOMETER
44830-MB1-000
Unavailable
21
CABLE (INNER)
44831-KM1-000
Unavailable
21
CABLE (INNER) This part replaces 44831-MB1-300.
44831-KM1-000
Unavailable
21
CABLE (INNER) This part replaces 44831-ME1-670.
44831-KM1-000
Unavailable
22
SCREW, PAN (2X6) This part replaces 90102-434-671.
90600-KJ9-700
Unavailable
22
SCREW, PAN (2X6)
90600-KJ9-700
Unavailable
24
NUT, INSTRUMENT SETTING
90303-MB1-000
Unavailable
