- Partiron
- OEM Parts
- Honda
- MOTORCYCLE
- 1984
- VF500FA (84) 500 INTERCEPTOR, JPN, VIN# JH2PC120-EM000018 TO JH2PC120-EM007149
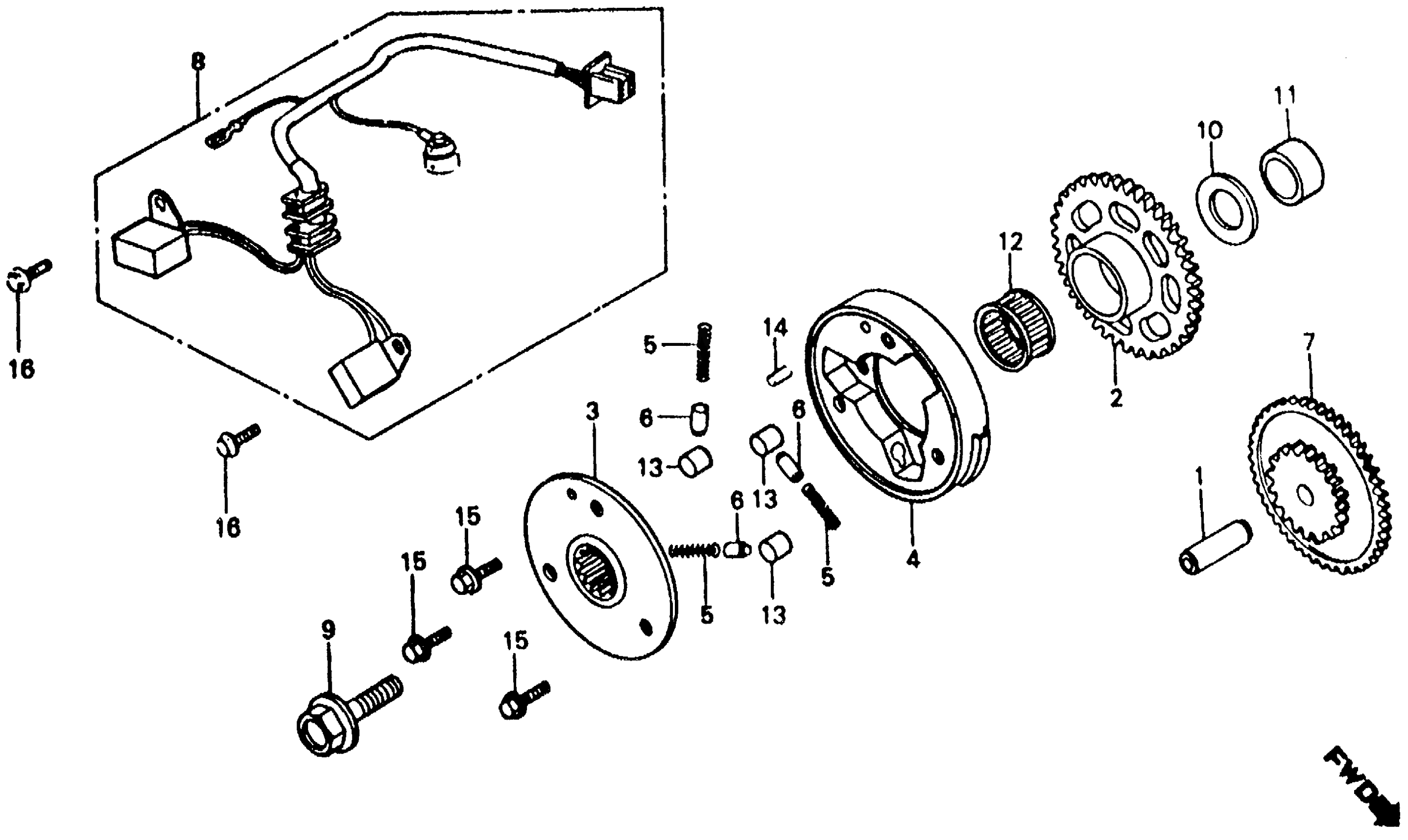
PULSE GENERATOR + STARTER CLUTCH
Honda VF500FA (84) 500 INTERCEPTOR, JPN, VIN# JH2PC120-EM000018 TO JH2PC120-EM007149 PULSE GENERATOR + STARTER CLUTCH Diagram
#
Description
Price
2
GEAR, STARTING CLUTCH (44T)
28110-MJ8-000
Unavailable
3
FLANGE, STARTING CLUTCH
28115-KE7-000
Unavailable
4
CLUTCH, STARTING (OUTER)
28120-MJ8-000
Unavailable
7
GEAR, STARTER REDUCTION (82T/19T)
28130-KE8-000
Unavailable
8
GENERATOR, PULSE This part replaces 30300-KE7-154.
30300-KE7-405
Unavailable
8
GENERATOR, PULSE This part replaces 30300-KE7-164.
30300-KE7-405
Unavailable
8
GENERATOR, PULSE This part replaces 30300-KE7-174.
30300-KE7-405
Unavailable
9
BOLT, UBS (10X32) This part replaces 90014-333-000.
90014-333-003
Unavailable
9
BOLT, UBS (10X32)
90014-333-003
Unavailable
10
WASHER, THRUST (20MM)
90402-KE8-000
Unavailable
11
COLLAR (20.2X6.5)
90452-KE8-000
Unavailable
12
BEARING, NEEDLE This part replaces 91022-KE8-003.
91022-MR8-003
Unavailable
12
BEARING, NEEDLE
91022-MR8-003
Unavailable
14
PIN, SPRING (4X12)
94305-40122
Unavailable
