- Partiron
- OEM Parts
- Honda
- MOTORCYCLE
- 1986
- VF1000RA (86) MOTORCYCLE, JPN, VIN# JH2SC160-GM100001
HEADLIGHT 86
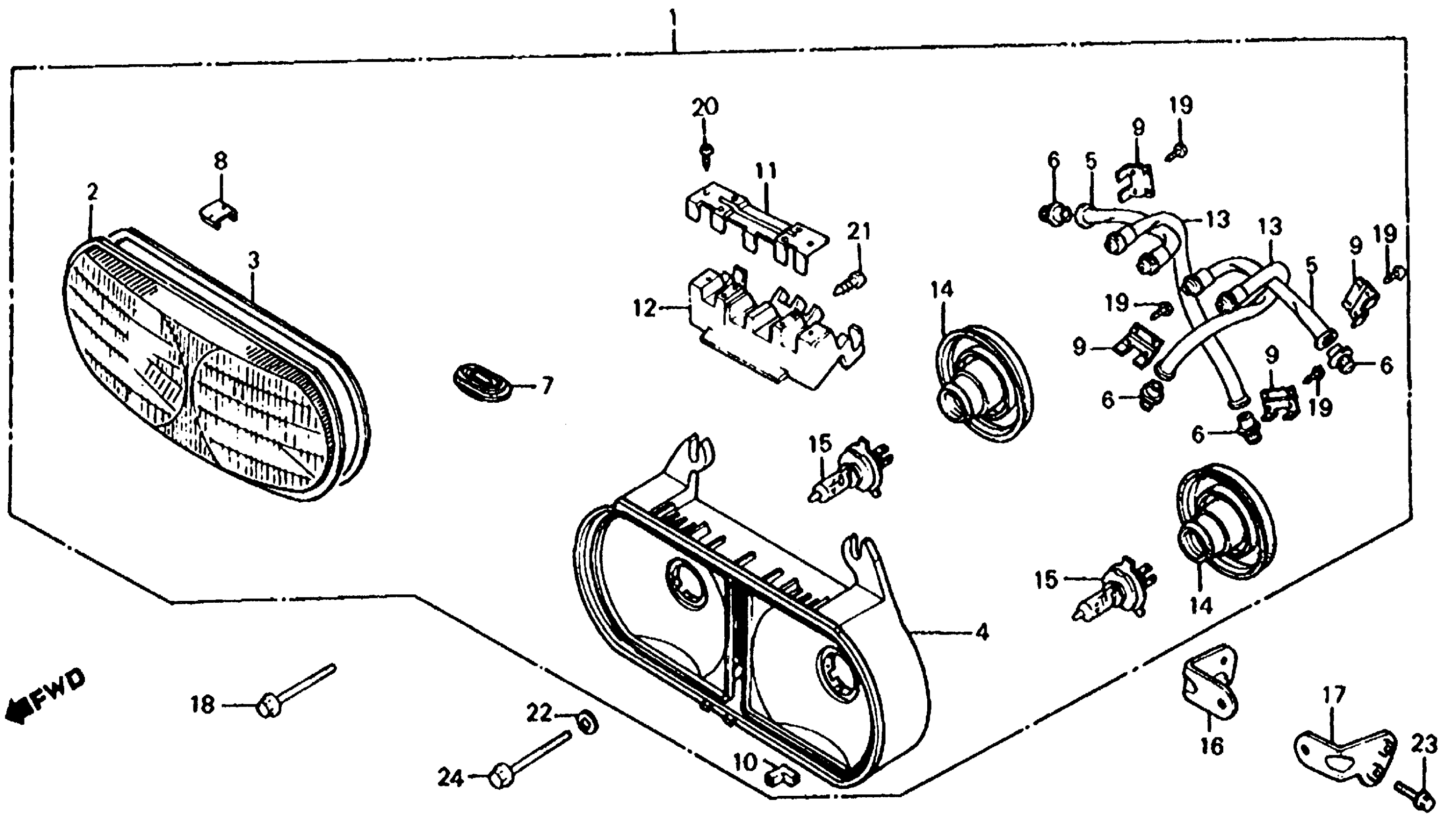
Honda VF1000RA (86) MOTORCYCLE, JPN, VIN# JH2SC160-GM100001 HEADLIGHT 86 Diagram
#
Description
Price
NI
MARK, AIMING CAUTION (NOT AVAILABLE)
87513-MJ4-300
Unavailable
1
HEADLIGHT ASSY. (NOT AVAILABLE)
33100-MJ4-871
Unavailable
2
LENS, HEADLIGHT (NOT AVAILABLE)
33102-MJ4-871
Unavailable
3
SEAL, GASKET
33103-MJ4-601
Unavailable
4
HOUSING (NOT AVAILABLE) This part replaces 33106-MJ4-601.
33106-MJ4-871
Unavailable
4
HOUSING (NOT AVAILABLE)
33106-MJ4-871
Unavailable
5
CABLE A, BEAM ADJUSTING
33108-MJ4-601
Unavailable
6
GEAR, BEAM ADJUSTING
33109-MG9-771
Unavailable
7
COVER, RUBBER
33112-MJ4-601
Unavailable
8
CLIP, LENS HOLDER
33113-MJ4-601
Unavailable
9
HOLDER A, BEAM ADJUSTING
33114-MJ4-601
Unavailable
10
COVER
33115-MG9-771
Unavailable
11
HOLDER B, BEAM ADJUSTING (NOT AVAILABLE)
33116-MJ4-601
Unavailable
12
PLATE, HOLDER HOUSING (NOT AVAILABLE)
33118-MJ4-601
Unavailable
13
CABLE B, BEAM ADJ.
33119-MJ4-601
Unavailable
14
COVER, RUBBER
33126-MJ4-601
Unavailable
16
STAY, R. HEADLIGHT (NOT AVAILABLE)
61501-MJ4-000
Unavailable
17
STAY, L. HEADLIGHT (NOT AVAILABLE)
61502-MJ4-000
Unavailable
18
BOLT, FLANGE (6MM)
90116-MJ4-000
Unavailable
