Partiron

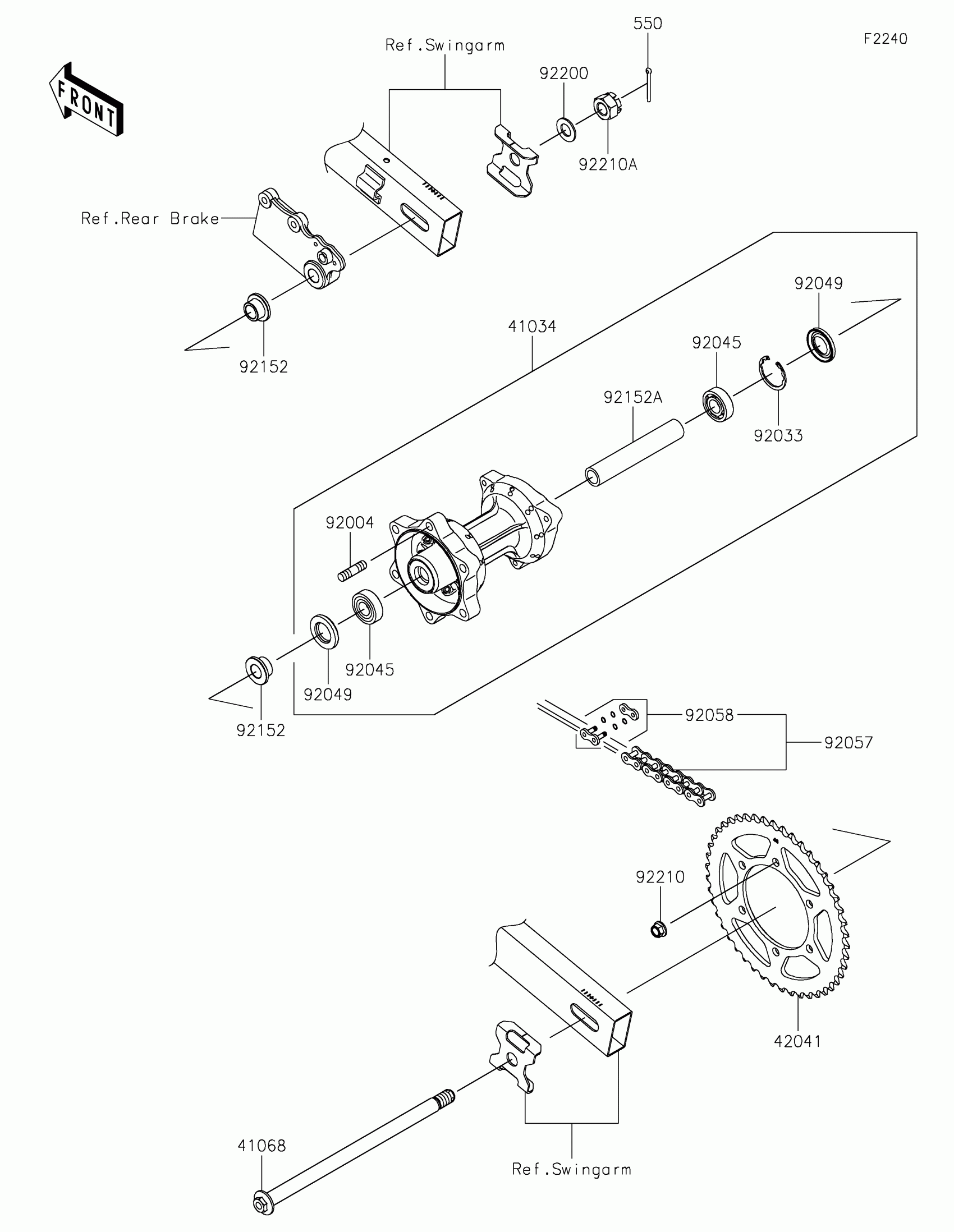
Kawasaki VERSYS®-X 300 Rear Hub Diagram

#

Description
Price

41034

DRUM-ASSY,RR BRAKE,P.SILVER

41034-0588-458

$473.10

41068

AXLE,RR,17X312

41068-0624

$75.55

42041

SPROCKET-HUB,46T

42041-0120

$85.02

550

PIN-COTTER,4.0X35

550AA4035

$2.17

92004

STUD,10X19

92004-0048

$8.51

92033

RING-SNAP,40MM

92033-1040

$5.90

92045

BEARING-BALL,17X40X12

92045-0732

$15.28

92049

SEAL-OIL

92049-0794

$13.79

92057

CHAIN,DRIVE,EK520RM/3DX112L

92057-0647

$250.28

92058

JOINT-CHAIN

92058-0037

$15.46

92152

COLLAR,17X24X16

92152-2292

$13.85

92152A

COLLAR,17.1X24X141

92152-2317

$23.30

92200

WASHER,16.2X30X2.0

92200-1842

$1.42

92210

NUT,LOCK,FLANGED,10MM

92210-0276

$2.61

92210A

NUT,CASTLE,16MM

92210-1171

$11.65